ACCULOGIC, INC.
SIDE-1
|
| |
|
Data bus: |
8-bit, ISA |
|
Size: |
Half-length, full-height card |
|
Hard drives supported: |
One IDE(XT) drive |
|
Floppy drives supported: |
None |
|
CONNECTIONS | |
|
Function |
Location |
|
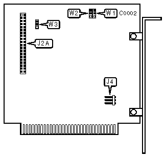
40-pin XT Interface (IDE) connector |
J2A |
|
5-pin connector-DC power |
J4 |
|
USER CONFIGURABLE SETTINGS | |||
|
Function |
Location |
Setting | |
| » |
BIOS address is C800h |
W1 |
pins 2 & 3 closed |
|
BIOS address is CA00h |
W1 |
pins 1 & 2 closed | |
| » |
I/O port address is 320h |
W2 |
pins 1 & 2 closed |
|
I/O port address is 324h |
W2 |
pins 2 & 3 closed | |
| » |
Interrupt Request is IRQ5 |
W3 |
pins 1 & 2 closed |
|
Interrupt Request is IRQ2* |
W3 |
pins 2 & 3 closed | |
|
BIOS SUPPORTED CONFIGURATIONS | ||
|
Formatted Capacity |
Maximum Heads |
Cylinders |
|
20 MB |
2 |
782 |
|
30 MB |
3 |
782 |
|
40 MB |
4 |
782 |
|
MISCELLANEOUS TECHNICAL NOTES |
|
This controller has an on-board low-level format program. To enter the program, run DEBUG utility supplied with DOS and enter G=C800:5 at the prompt. This controller supports 17 SPT translation. *If IRQ2 is selected the drive must also be set to IRQ2 (See Volume 2: Drive Settings) |