SEAGATE TECHNOLOGY, INC.

ST01-A, ST01-B, ST01-E50

Data bus: 8-bit, ISA

Size: Half-length, full-height card

Hard drives supported: Up to seven SCSI devices

Floppy drives supported: None

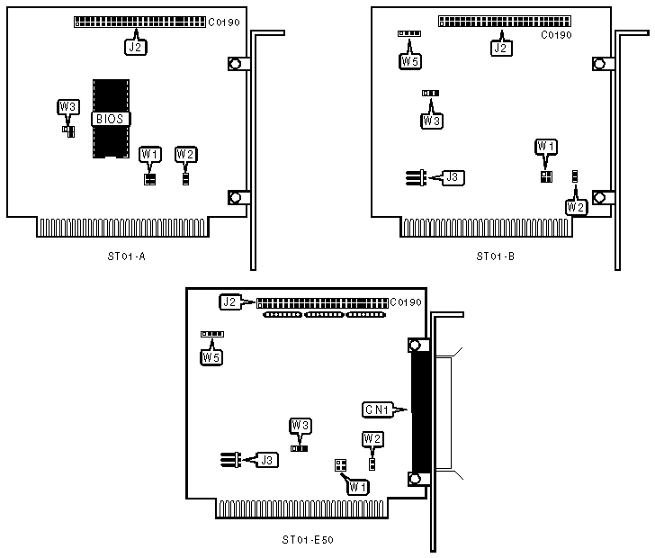
CONNECTIONS

Function

Location

50-pin SCSI connector-external (ST01-E50 only)

CN1

50-pin SCSI connector-internal

J2

5-pin connector-DC power

J3

4-pin connector-drive active LED

J5

SEAGATE TECHNOLOGY, INC.

ST01-A, ST01-B, ST01-E50

. . . continued from previous page

USER CONFIGURABLESETTINGS

Function

Location

Setting

»

Zero wait state disabled

W2

open

 

Zero wait state enabled

W2

closed

»

Hard Drive Interrupt is IRQ5

W3

pins 2 & 3 closed

 

Hard Drive Interrupt is IRQ3

W3

pins 1 & 2 closed

 

Interrupts disabled

W3

open

8K BIOS ADDRESS

Address

W1 pins 1 & 2

W1 pins 3 & 4

»

CA000h

open

open

 

C8000h

closed

open

 

CE000h

open

closed

 

DE000h

closed

closed

16K BIOS ADDRESS

Address

W1 pins 1 & 2

W1 pins 3 & 4

»

C800h

open

open

 

Not valid

closed

open

 

CC00h

open

closed

 

DC00h

closed

closed