BOCA RESEARCH INC.

IO/AT

Card Type

Multi I/O card

Chipset/Controller

Unknown

I/O Options

Clock, parallel port, serial ports (2)

Maximum DRAM

N/A

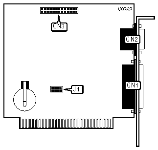
CONNECTIONS

Purpose

Location

Purpose

Location

Parallel port

CN1

Serial port 2

CN3

Serial port 1

CN2

   

I/O AT CONFIGURATION

Cards Installed

J1

»

1

Pins 1 & 2 closed

 

2

Pins 3 & 4 closed

 

3

Pins 5 & 6 closed

 

4

Pins 7 & 8 closed