DELL COMPUTER CORPORATION

WINDOWS SOUND SYSTEM BOARD

Card Type

Sound card

Chip Set

Unidentified

I/O Options

Speaker/Line out, Line out (2), Line in, Microphone jack

Data Bus

8/16-bit ISA

Card Size

Half-length, full-height card

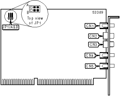
CONNECTIONS

Function

Label

Function

Label

Speaker/Line out

CN1

Line in

CN4

Line out

CN2

Microphone jack

CN5

Line out

CN3

   

BASE I/O SELECT

Address

JP1/A

JP1/B

»

530h

Pins 1 & 2 closed

Pins 1 & 2 closed

 

604h

Pins 2 & 3 closed

Pins 2 & 3 closed

 

E80h

Pins 2 & 3 closed

Pins 1 & 2 closed

 

F40h

Pins 1 & 2 closed

Pins 2 & 3 closed