LONGSHINE MICROSYSTEM, INC.

LCS-6812F

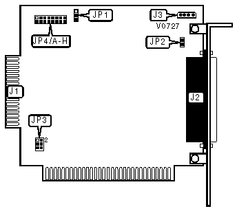
Card Type

Floppy drive controller

Chipset Controller

Unidentified

I/O Options

Floppy drive interface (2)

Maximum Dram

N/A

CONNECTIONS

Purpose

Location

Internal floppy interface

J1

External floppy interface

J2

DC power

J3

I/O ADDRESS SELECT

Address

JP1

Primary (3F0h-3F7h)

Pins 1 & 2 closed

Secondary (370h-377h)

Pins 2 & 3 closed

SYSTEM GROUND SELECT

Case Ground

JP2

Connected

Closed

Not connected

Open

ROM ADDRESS SELECT

Address

JP3

CA000h-CBFFFh

Pins 1 & 2 closed

CC000h-CDFFFh

Pins 3 & 4 closed

CE000h-CFFFFh

Pins 5 & 6 closed

FLOPPY TYPE SELECT

Drive

Drive A

Drive B

Drive 3

Drive 4

Type

JP4/A

JP4/B

JP4/C

JP4/D

JP4/E

JP4/F

JP4/G

JP4/H

360KB

Closed

Closed

Closed

Closed

Closed

Closed

Closed

Closed

1.2MB

Closed

Open

Closed

Open

Closed

Open

Closed

Open

720KB

Open

Closed

Open

Closed

Open

Closed

Open

Closed

1.44MB

Open

Open

Open

Open

Open

Open

Open

Open