LAVA COMPUTER MANUFACTURING, INC.
LAVA 2SP-550 (VER. 2)
|
Card Type |
Serial/parallel card |
|
Chip Set |
Unidentified |
|
Maximum Onboard Memory |
N/A |
|
I/O Options |
Serial port (2), parallel port |
|
Hard Drives supported |
None |
|
Floppy drives supported |
None |
|
Data Bus |
16-bit ISA |
|
Card Size |
Half-length, full-height |
|
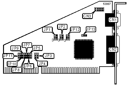
CONNECTIONS | |||
|
Function |
Label |
Function |
Label |
|
Serial port 1 |
CN1 |
Serial port 2 |
CN3 |
|
Parallel port |
CN2 | ||
|
SERIAL PORT 1 CONFIGURATION | ||||
|
Setting |
JP1/pins 1 & 2 |
JP1/pins 2 & 3 |
JP1/pins 4 & 5 |
JP1/pins 5 & 6 |
|
COM1 |
Closed |
Open |
Open |
Open |
|
COM2 |
Open |
Closed |
Open |
Open |
|
COM3 |
Open |
Open |
Closed |
Open |
|
COM4 |
Open |
Open |
Open |
Closed |
|
SERIAL PORT 2 CONFIGURATION | ||||
|
Setting |
JP2/pins 1 & 2 |
JP2/pins 2 & 3 |
JP2/pins 4 & 5 |
JP2/pins 5 & 6 |
|
COM1 |
Closed |
Open |
Open |
Open |
|
COM2 |
Open |
Closed |
Open |
Open |
|
COM3 |
Open |
Open |
Closed |
Open |
|
COM4 |
Open |
Open |
Open |
Closed |
|
SERIAL PORT 1 INTERRUPT SELECTION | |||||||||
|
Setting |
JP3/ pins 2 & 3 |
JP4/ pins 2 & 3 |
JP5/ pins 2 & 3 |
JP6/ pins 2 & 3 |
JP7/ pins 2 & 3 |
JP8/ pins 2 & 3 |
JP9/ pins 2 & 3 |
JP10/ pins 2 & 3 |
JP11/ pins 2 & 3 |
|
IRQ2 |
Open |
Open |
Closed |
Open |
Open |
Open |
Open |
Open |
Open |
|
IRQ3 |
Closed |
Open |
Open |
Open |
Open |
Open |
Open |
Open |
Open |
|
IRQ4 |
Open |
Closed |
Open |
Open |
Open |
Open |
Open |
Open |
Open |
|
IRQ5 |
Open |
Open |
Open |
Closed |
Open |
Open |
Open |
Open |
Open |
|
IRQ7 |
Open |
Open |
Open |
Open |
Closed |
Open |
Open |
Open |
Open |
|
IRQ10 |
Open |
Open |
Open |
Open |
Open |
Closed |
Open |
Open |
Open |
|
IRQ11 |
Open |
Open |
Open |
Open |
Open |
Open |
Closed |
Open |
Open |
|
IRQ12 |
Open |
Open |
Open |
Open |
Open |
Open |
Open |
Closed |
Open |
|
IRQ15 |
Open |
Open |
Open |
Open |
Open |
Open |
Open |
Open |
Closed |
|
SERIAL PORT 2 INTERRUPT SELECTION | |||||||||
|
Setting |
JP3/ pins 1 & 2 |
JP4/ pins 1 & 2 |
JP5/ pins 1 & 2 |
JP6/ pins 1 & 2 |
JP7/ pins 1 & 2 |
JP8/ pins 1 & 2 |
JP9/ pins 1 & 2 |
JP10/ pins 1 & 2 |
JP11/ pins 1 & 2 |
|
IRQ2 |
Open |
Open |
Closed |
Open |
Open |
Open |
Open |
Open |
Open |
|
IRQ3 |
Closed |
Open |
Open |
Open |
Open |
Open |
Open |
Open |
Open |
|
IRQ4 |
Open |
Closed |
Open |
Open |
Open |
Open |
Open |
Open |
Open |
|
IRQ5 |
Open |
Open |
Open |
Closed |
Open |
Open |
Open |
Open |
Open |
|
IRQ7 |
Open |
Open |
Open |
Open |
Closed |
Open |
Open |
Open |
Open |
|
IRQ10 |
Open |
Open |
Open |
Open |
Open |
Closed |
Open |
Open |
Open |
|
IRQ11 |
Open |
Open |
Open |
Open |
Open |
Open |
Closed |
Open |
Open |
|
IRQ12 |
Open |
Open |
Open |
Open |
Open |
Open |
Open |
Closed |
Open |
|
IRQ15 |
Open |
Open |
Open |
Open |
Open |
Open |
Open |
Open |
Closed |
|
USER CONFIGURABLE SETTINGS | ||
|
Function |
Label |
Position |
|
Parallel port is configured as LPT1 |
JP12/pins 1 & 2 |
Closed |
|
Parallel port is configured as LPT2 |
JP12/pins 2 & 3 |
Closed |
|
IRQ 5 enabled |
JP12/pins 4 & 5 |
Closed |
|
IRQ 7 enabled |
JP12/pins 5 & 6 |
Closed |
|
Parallel port bi-directional mode enabled |
JP13/pins 1 & 2 |
Closed |
|
Parallel port uni-directional mode enabled |
JP13/pins 2 & 3 |
Closed |