PINE TECHNOLOGY
PT-601/602
|
Card Type |
Multi I/O |
|
Chipset/Controller |
Unidentified |
|
I/O Options |
Game port, parallel port, serial ports (2) |
|
Maximum DRAM |
N/A |
|
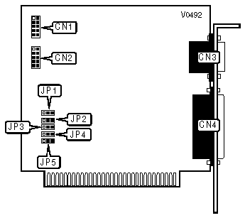
CONNECTIONS | |||
|
Purpose |
Location |
Purpose |
Location |
|
Serial port 1 |
CN1 |
Game port |
CN3 |
|
Serial port 2 |
CN2 |
Parallel port |
CN4 |
|
GAME PORT CONFIGURATION | ||
|
Setting |
JP1 | |
| » |
Enabled |
Pins 2 & 3 closed |
|
Disabled |
Pins 1 & 2 closed | |
|
SERIAL PORT CONFIGURATION | ||||
|
Port 1 (CN1) |
Port 2 (CN2) |
JP2 |
JP3 | |
| » |
COM1 |
COM2 |
Pins 2 & 3 closed |
Pins 2 & 3 closed |
|
COM1 |
COM4 |
Pins 2 & 3 closed |
Pins 1 & 2 closed | |
|
COM3 |
COM2 |
Pins 1 & 2 closed |
Pins 2 & 3 closed | |
|
COM3 |
COM4 |
Pins 1 & 2 closed |
Pins 1 & 2 closed | |
|
Disabled |
COM2 |
Open |
Pins 2 & 3 closed | |
|
Disabled |
COM4 |
Open |
Pins 1 & 2 closed | |
|
COM1 |
Disabled |
Pins 2 & 3 closed |
Open | |
|
COM3 |
Disabled |
Pins 1 & 2 closed |
Open | |
|
Disabled |
Disabled |
Open |
Open | |
|
PARALLEL PORT INTERRUPT SELECT | ||
|
IRQ |
JP4 | |
| » |
IRQ7 |
Pins 2 & 3 closed |
|
IRQ5 |
Pins 1 & 2 closed | |
|
Disabled |
Open | |
|
PARALLEL PORT CONFIGURATION | ||
|
LPT |
JP5 | |
| » |
1 |
Pins 2 & 3 closed |
|
2 |
Pins 1 & 2 closed | |
|
Disabled |
Open | |