RANCHO TECHNOLOGY, INC.
RT9000I
|
Card Type |
Parallel card |
|
Data Bus |
8-bit ISA |
|
Card Size |
Half-length, half-height card |
|
CONNECTIONS | |
|
Function |
Label |
|
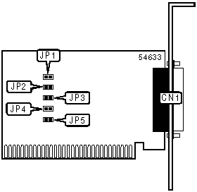
Parallel port |
CN1 |
|
USER CONFIGURABLE SETTINGS | ||
|
Function |
Label |
Position |
|
Selects AT mode |
JP5 |
Closed |
|
Selects EPP mode |
JP5 |
Open |
|
PARALLEL PORT ADDRESS SELECTION | |||
|
Port |
JP1 |
JP2 |
JP3 |
|
LPT1 (378h) |
Closed |
Open |
Open |
|
LPT2 (278h) |
Open |
Closed |
Open |
|
LPT3 (3BCh) |
Open |
Open |
Closed |
|
PARALLEL PORT INTERRUPT SELECTION | ||
|
IRQ |
Label |
Position |
|
5 |
JP4 |
Closed |
|
7 |
JP4 |
Open |