PROMISE TECHNOLOGY, INCORPORATED
3D WEBSOUND
|
Card Type |
Sound card |
|
Chip Set |
Unidentified |
|
I/O Options |
Game/MIDI port, wavetable, CD - audio in (2), MPEG - audio in, speaker/line out (2), line in, microphone in |
|
Data Bus |
16-bit ISA |
|
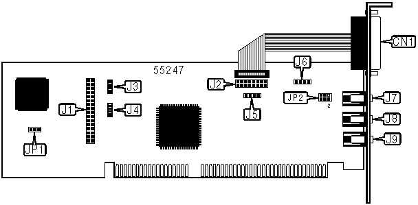
CONNECTIONS | |||
|
Function |
Label |
Function |
Label |
|
Game/MIDI port - external |
CN1 |
Audio in (MPEG) |
J5 |
|
Wavetable |
J1 |
Speaker/line out - internal |
J6 |
|
Game/MIDI port - internal |
J2 |
Speaker/line out - external |
J7 |
|
CD - Audio in |
J3 |
Line in |
J8 |
|
CD - Audio in |
J4 |
Microphone in |
J9 |
|
USER CONFIGURABLE SETTINGS | |||
|
Function |
Label |
Position | |
|
Factory configured - Do Not Alter |
JP1 |
Unidentified | |
| » |
Speaker out |
JP2 |
Pins 3 & 5, 4 & 6 closed |
|
Line out |
JP2 |
Pins 1 & 3, 2 & 4 closed | |