SILICON STAR INTERNATIONAL, INC.

AN6

Processor

Pentium II/Pentium Pro

Processor Speed

150/166/180/200/233/266MHz

Chip Set

Intel

Video Chip Set

None

Maximum Onboard Memory

1GB (EDO supported)

Maximum Video Memory

None

Cache

256/512KB (located on CPU)

BIOS

Award

Dimensions

305mm x 245mm

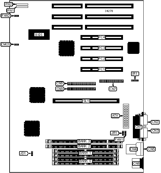
I/O Options

32-bit PCI slots (4), floppy drive interface, green PC connector, IDE interfaces (2), parallel port, PS/2 mouse port, serial ports (2), IR connector, USB connectors (2), ATX power connector, CPU Slot 1

NPU Options

None

CONNECTIONS

Purpose

Location

Purpose

Location

ATX power connector

ATX

Chassis fan power

FAN1

Parallel port

CN1

Chassis fan power

FAN2

Serial port 2

CN2

IR connector

IR1

Serial port 1

CN3

32-bit PCI slots

PC1 – PC4

USB connector

CN4

Power LED & keylock

PN1/pins 1 - 5

USB connector

CN5

IDE interface LED

PN1/pins 7 & 8

PS/2 mouse port

CN6

Green PC connector

PN1/pins 13 & 14

Floppy drive interface

CN7

Reset switch

PN2/pins 1 & 2

IDE interface 2

CN8

Speaker

PN2/pins 4 - 7

IDE interface 1

CN9

CPU Slot 1

SL1

USER CONFIGURABLE SETTINGS

Function

Label

Position

»

CMOS memory normal operation

CMOS

Pins 1 & 2 closed

 

CMOS memory clear

CMOS

Pins 2 & 3 closed

»

Power on select high active

JR1

Pins 2 & 3 closed

 

Power on select low active

JR1

Pins 1 & 2 closed

DIMM/DRAM CONFIGURATION

Size

Bank 0

Bank 1

Bank 2

Bank 3

8MB

(2) 1M x 36

None

None

None

8MB

None

None

(1) 1M x 64

None

16MB

(2) 2M x 36

None

None

None

16MB

(2) 1M x 36

(2) 1M x 36

None

None

16MB

(2) 1M x 36

None

None

(1) 1M x 64

16MB

None

None

(1) 2M x 64

None

16MB

None

None

(1) 1M x 64

(1) 1M x 64

24MB

(2) 2M x 36

(2) 1M x 36

None

None

24MB

None

(2) 2M x 36

(1) 1M x 64

None

24MB

None

None

(1) 2M x 64

(1) 1M x 64

32MB

(2) 4M x 36

None

None

None

32MB

(2) 2M x 36

(2) 2M x 36

None

None

32MB

(2) 2M x 36

None

None

(1) 2M x 64

32MB

None

None

(1) 4M x 64

None

32MB

None

None

(1) 2M x 64

(1) 2M x 64

40MB

(2) 4M x 36

(2) 1M x 36

None

None

40MB

(2) 4M x 36

None

None

(1) 1M x 64

40MB

None

None

(1) 1M x 64

(1) 4M x 64

48MB

(2) 4M x 36

(2) 2M x 36

None

None

48MB

(2) 2M x 36

None

None

(1) 4M x 64

48MB

None

None

(1) 2M x 64

(1) 4M x 64

64MB

(2) 8M x 36

None

None

None

DIMM/DRAM CONFIGURATION (CON’T)

Size

Bank 0

Bank 1

Bank 2

Bank 3

64MB

(2) 4M x 36

(2) 4M x 36

None

None

64MB

(2) 4M x 36

None

None

(1) 4M x 64

64MB

None

None

(1) 8M x 64

None

64MB

None

None

(1) 4M x 64

(1) 4M x 64

72MB

(2) 8M x 36

None

None

(1) 1M x 64

72MB

(2) 8M x 36

(2) 1M x 36

None

None

72MB

None

None

(1) 1M x 64

(1) 8M x 64

80MB

None

(2) 2M x 36

(1) 8M x 64

None

80MB

(2) 2M x 36

None

None

(1) 8M x 64

80MB

(2) 8M x 36

(2) 2M x 36

None

None

80MB

None

None

(1) 2M x 64

(1) 8M x 64

96MB

(2) 4M x 36

None

None

(1) 8M x 64

96MB

None

(2) 8M x 36

(1) 4M x 64

None

96MB

(2) 8M x 36

(2) 4M x 36

None

None

96MB

None

None

(1) 4M x 64

(1) 8M x 64

128MB

(2) 8M x 36

None

None

(1) 8M x 64

128MB

(2) 8M x 36

None

None

(1) 8M x 64

128MB

(2) 8M x 36

(2) 8M x 36

None

None

128MB

(2) 16M x 36

None

None

None

128MB

None

None

(1) 8M x 64

(1) 8M x 64

136MB

(2) 16M x 36

(2) 1M x 36

None

None

144MB

(2) 16M x 36

(2) 2M x 36

None

None

160MB

(2) 16M x 36

(2) 4M x 36

None

None

192MB

(2) 16M x 36

(2) 8M x 36

None

None

256MB

(2) 32M x 36

None

None

None

256MB

(2) 16M x 36

(2) 16M x 36

None

None

256MB

None

None

(1) 16M x 64

(1) 16M x 64

264MB

(2) 32M x 36

(2) 1M x 36

None

None

272MB

(2) 32M x 36

(2) 2M x 36

None

None

288MB

(2) 32M x 36

(2) 4M x 36

None

None

320MB

(2) 32M x 36

(2) 8M x 36

None

None

384MB

(2) 32M x 36

(2) 16M x 36

None

None

384MB

(2) 16M x 36

(2) 16M x 36

(1) 16M x 64

None

512MB

(2) 32M x 36

(2) 32M x 36

None

None

512MB

(2) 16M x 36

(2) 16M x 36

(1) 16M x 64

(1) 16M x 64

520MB

(2) 32M x 36

(2) 32M x 36

(1) 1M x 64

None

528MB

(2) 32M x 36

(2) 32M x 36

(1) 2M x 64

None

768MB

(2) 32M x 36

(2) 32M x 36

(1) 32M x 64

None

1024MB

(2) 32M x 36

(2) 32M x 36

(1) 32M x 64

(1) 32M x 64

Note: Board accepts EDO memory. Board also accepts x 32 SIMMs.

DIMM VOLTAGE CONFIGURATION

Voltage

JD1

»

3.3V

Pins 2 & 3 closed

 

5v

Pins 1 & 2 closed

CACHE CONFIGURATION

Note: 256KB/512KB cache is located on the CPU.