ACHME COMPUTER, INC.

MS-5144

Processor

CX M1/AM K5/Pentium

Processor Speed

90/100/120/133/150/166/200MHz

Chip Set

SIS

Video Chip Set

None

Maximum Onboard Memory

384MB (EDO supported)

Maximum Video Memory

None

Cache

256/512KB

BIOS

AMI/Award

Dimensions

250mm x 220mm

I/O Options

32-bit PCI slots (4), floppy drive interface, IDE interfaces (2), parallel port, PS/2 mouse port, PS/2 mouse interface, serial ports (2), IR connector, USB connector

NPU Options

None

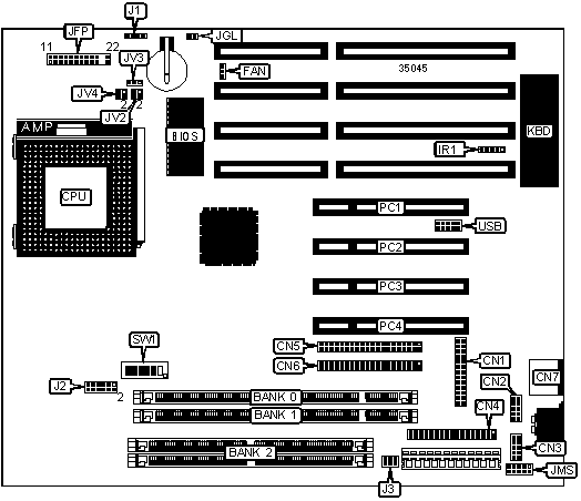
CONNECTIONS

Purpose

Location

Purpose

Location

Parallel port

CN1

Power LED & keylock

JFP/pins 1 - 5

Serial port 2

CN2

Speaker

JFP/pins 7 - 10

Serial port 1

CN3

Turbo LED

JFP/pins 12 & 13

Floppy drive interface

CN4

Reset switch

JFP/pins 19 & 20

IDE interface 2

CN5

IDE interface LED

JFP/pins 21 & 22

IDE interface 1

CN6

Green PC LED

JGL

PS/2 mouse port

CN7

PS/2 mouse interface

JMS

Chassis fan power

FAN

32-bit PCI slots

PC1 – PC4

IR connector

IR1

USB connector

USB

USER CONFIGURABLE SETTINGS

Function

Label

Position

»

Factory configured - do not alter

J1

Unidentified

»

Factory configured - do not alter

J3

Unidentified

DIMM/DRAM CONFIGURATION

Size

Bank 0

Bank 1

Bank 2

8MB

(1) 1M x 64

None

None

12MB

(1) 1M x 64

None

(2) 512K x 36

16MB

(1) 2M x 64

None

None

16MB

(1) 1M x 64

(1) 1M x 64

None

16MB

(1) 1M x 64

None

(2) 1M x 36

20MB

(1) 2M x 64

None

(2) 512K x 36

24MB

(1) 2M x 64

(1) 1M x 64

None

24MB

(1) 1M x 64

None

(2) 2M x 36

32MB

(1) 4M x 64

None

None

32MB

(1) 2M x 64

(1) 2M x 64

None

32MB

(1) 2M x 64

None

(2) 2M x 36

36MB

(1) 4M x 64

None

(2) 512K x 36

40MB

(1) 4M x 64

(1) 1M x 64

None

40MB

(1) 1M x 64

None

(2) 4M x 36

40MB

(1) 4M x 64

None

(2) 1M x 36

48MB

(1) 4M x 64

(1) 2M x 64

None

48MB

(1) 2M x 64

None

(2) 4M x 36

48MB

(1) 4M x 64

None

(2) 2M x 36

64MB

(1) 8M x 64

None

None

64MB

(1) 4M x 64

(1) 4M x 64

None

64MB

(1) 4M x 64

None

(2) 4M x 36

68MB

(1) 8M x 64

None

(2) 512K x 36

72MB

(1) 8M x 64

(1) 1M x 64

None

72MB

(1) 1M x 64

None

(2) 8M x 36

72MB

(1) 8M x 64

None

(2) 1M x 36

DIMM/DRAM CONFIGURATION (CON’T)

Size

Bank 0

Bank 1

Bank 2

80MB

(1) 8M x 64

(1) 2M x 64

None

80MB

(1) 2M x 64

None

(2) 8M x 36

80MB

(1) 8M x 64

None

(2) 2M x 36

96MB

(1) 8M x 64

(1) 4M x 64

None

96MB

(1) 8M x 64

None

(2) 4M x 36

96MB

(1) 4M x 64

None

(2) 8M x 36

128MB

(1) 16M x 64

None

None

128MB

(1) 8M x 64

(1) 8M x 64

None

128MB

(1) 8M x 64

None

(2) 8M x 36

132MB

(1) 16M x 64

None

(2) 512K x 36

136MB

(1) 1M x 64

None

(2) 16M x 36

136MB

(1) 16M x 64

None

(2) 1M x 36

144MB

(1) 2M x 64

None

(2) 16M x 36

144MB

(1) 16M x 64

None

(2) 2M x 36

160MB

(1) 4M x 64

None

(2) 16M x 36

160MB

(1) 16M x 64

None

(2) 4M x 36

192MB

(1) 8M x 64

None

(2) 16M x 36

192MB

(1) 16M x 64

None

(2) 8M x 36

256MB

(1) 32M x 64

None

None

256MB

(1) 16M x 64

(1) 16M x 64

None

256MB

(1) 16M x 64

None

(2) 16M x 36

384MB

(1) 32M x 64

None

(2) 16M x 36

Note: Board accepts EDO memory. Banks 0 & 1 are interchangeable.

DIMM VOLTAGE CONFIGURATION

Voltage

J2

3.3v

Pins 1 & 2, 3 & 4 closed

5v

Pins 9 & 10, 11 & 12 closed

CACHE CONFIGURATION

Note: The location and chip sizes are unidentified.

CPU SPEED SELECTION (CYRIX)

CPU speed

Clock speed

Multiplier

SW1/1

SW1/2

SW1/3

SW1/4

SW1/5

SW1/6

150MHz

60MHz

2x

On

Off

On

Off

Off

On

166MHz

66MHz

2x

On

Off

Off

Off

Off

On

200MHz

66MHz

2x

On

Off

Off

On

Off

On

CPU SPEED SELECTION (AMD)

CPU speed

Clock speed

Multiplier

SW1/1

SW1/2

SW1/3

SW1/4

SW1/5

SW1/6

90MHz

60MHz

1.5x

Off

Off

On

Off

Off

Off

100MHz

66MHz

1.5x

Off

Off

Off

Off

Off

Off

120MHz

60MHz

1.5x

Off

Off

On

Off

Off

Off

133MHz

66MHz

1.5x

Off

Off

Off

Off

Off

Off

166MHz

66MHz

2.5x

On

On

Off

Off

Off

Off

CPU SPEED SELECTION (INTEL)

CPU speed

Clock speed

Multiplier

SW1/1

SW1/2

SW1/3

SW1/4

SW1/5

SW1/6

90MHz

60MHz

1.5x

Off

Off

On

Off

Off

Off

100MHz

66MHz

1.5x

Off

Off

Off

Off

Off

Off

120MHz

60MHz

2x

On

Off

On

Off

Off

Off

133MHz

66MHz

2x

On

Off

Off

Off

Off

Off

150MHz

60MHz

2.5x

On

On

On

Off

Off

Off

166MHz

66MHz

2.5x

On

On

Off

Off

Off

Off

200MHz

66MHz

3x

Off

On

Off

Off

Off

Off

CPU VOLTAGE SELECTION (SINGLE)

Voltage

JV2

JV3

JV4

3.38v

Open

Pins 2 & 3 closed

Open

3.52v

Pins 1 & 2 closed

Pins 2 & 3 closed

Open

CPU VOLTAGE SELECTION (DUAL)

Voltage

V core

JV2

JV3

JV4

3.3v

2.8v

Pins 1 & 2, 3 & 4 closed

Pins 1 & 2 closed

Open