ACER, INC.
AX65
|
Device Type |
Mainboard |
|
Processor |
Pentium Pro |
|
Processor Speed |
150/166/180/200MHz |
|
Chip Set |
Intel |
|
Video Chip Set |
None |
|
Maximum Onboard Memory |
512MB (EDO supported) |
|
Maximum Video Memory |
None |
|
Cache |
256/512KB (located on Pentium Pro CPU) |
|
BIOS |
Award |
|
Dimensions |
305mm x 244mm |
|
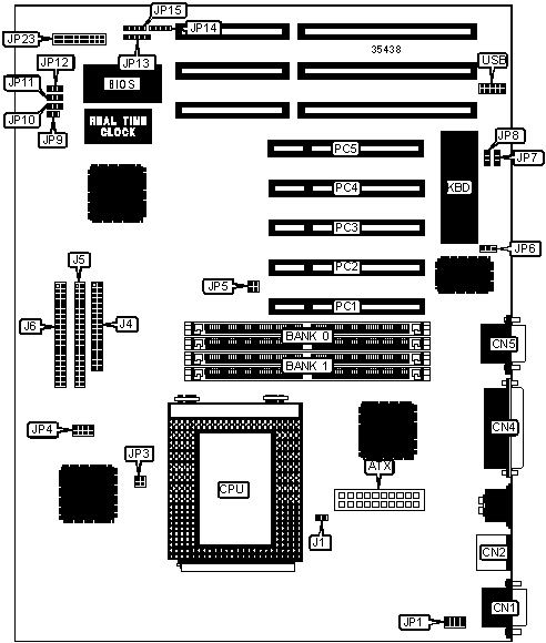
I/O Options |
32-bit PCI slots (5), floppy drive interface, green PC connector, IDE interfaces (2), parallel port, PS/2 mouse port, serial ports (2), IR connector, USB interface, ATX power connector |
|
NPU Options |
None |

|
CONNECTIONS |
|||
|
Purpose |
Location |
Purpose |
Location |
|
ATX power connector |
ATX |
IDE interface LED |
JP15 |
|
Serial port 1 |
CN1 |
Soft off power supply |
JP23/pins 1 & 2 |
|
PS/2 mouse port |
CN2 |
Power LED |
JP23/pins 3 - 5 |
|
Parallel port |
CN4 |
Speaker |
JP23/pins 7 - 10 |
|
Serial port 2 |
CN5 |
Green PC LED |
JP23/pins 12 & 13 |
|
Chassis fan power |
J1 |
Green PC connector |
JP23/pins 15 - 17 |
|
Floppy drive interface |
J4 |
Reset switch |
JP23/pins 19 & 20 |
|
IDE interface 1 |
J5 |
32-bit PCI slots |
PC1 - PC5 |
|
IDE interface 2 |
J6 |
USB interface |
USB |
|
IR connector |
JP13 |
|
|
|
USER CONFIGURABLE SETTINGS |
|||
|
Function |
Label |
Position |
|
|
» |
On board I/O enabled |
JP6 |
Pins 2 & 3 closed |
|
|
On board I/O disabled |
JP6 |
Pins 1 & 2 closed |
|
» |
Keyboard clock select ISA clock |
JP7 |
Pins 2 & 3 closed |
|
|
Keyboard clock select 12MHz |
JP7 |
Pins 1 & 2 closed |
|
» |
PS/2 mouse enabled |
JP8 |
Pins 1 & 2 closed |
|
|
PS/2 mouse disabled |
JP8 |
Pins 2 & 3 closed |
|
» |
Factory configured - do not alter |
JP9 |
Unidentified |
|
» |
CMOS memory normal operation |
JP10 |
Pins 2 & 3 closed |
|
|
CMOS memory clear |
JP10 |
Pins 1 & 2 closed |
|
|
Power switch type select toggle |
JP14 |
Pins 2 & 3 closed |
|
|
Power switch type select momentary |
JP14 |
Pins 1 & 2, 3 & 4 closed |
|
SIMM CONFIGURATION |
||
|
Size |
Bank 0 |
Bank 1 |
|
8MB |
(2) 1M x 36 |
None |
|
16MB |
(2) 2M x 36 |
None |
|
16MB |
(2) 1M x 36 |
(2) 1M x 36 |
|
24MB |
(2) 2M x 36 |
(2) 1M x 36 |
|
32MB |
(2) 4M x 36 |
None |
|
32MB |
(2) 2M x 36 |
(2) 2M x 36 |
|
40MB |
(2) 4M x 36 |
(2) 1M x 36 |
|
48MB |
(2) 4M x 36 |
(2) 2M x 36 |
|
64MB |
(2) 8M x 36 |
None |
|
64MB |
(2) 4M x 36 |
(2) 4M x 36 |
|
72MB |
(2) 8M x 36 |
(2) 1M x 36 |
|
SIMM CONFIGURATION (CON'T) |
||
|
Size |
Bank 0 |
Bank 1 |
|
80MB |
(2) 8M x 36 |
(2) 2M x 36 |
|
96MB |
(2) 8M x 36 |
(2) 4M x 36 |
|
128MB |
(2) 8M x 36 |
(2) 8M x 36 |
|
128MB |
(2) 16M x 36 |
None |
|
136MB |
(2) 16M x 36 |
(2) 1M x 36 |
|
144MB |
(2) 16M x 36 |
(2) 2M x 36 |
|
160MB |
(2) 16M x 36 |
(2) 4M x 36 |
|
192MB |
(2) 16M x 36 |
(2) 8M x 36 |
|
256MB |
(2) 16M x 36 |
(2) 16M x 36 |
|
256MB |
(2) 32M x 36 |
None |
|
264MB |
(2) 32M x 36 |
(2) 1M x 36 |
|
272MB |
(2) 32M x 36 |
(2) 2M x 36 |
|
288MB |
(2) 32M x 36 |
(2) 4M x 36 |
|
320MB |
(2) 32M x 36 |
(2) 8M x 36 |
|
384MB |
(2) 32M x 36 |
(2) 16M x 36 |
|
512MB |
(2) 32M x 36 |
(2) 32M x 36 |
|
Note: Board accepts EDO memory. |
||
|
CACHE CONFIGURATION |
|
Note: 256KB/512KB cache is located on the Pentium Pro CPU. |
|
CPU SPEED SELECTION |
|||||
|
CPU speed |
Clock speed |
Multiplier |
JP3 |
JP4 |
JP5 |
|
150MHz |
60MHz |
2.5x |
3 & 4 |
3 & 4, 5 & 6, 7 & 8 |
3 & 4 |
|
166MHz |
66MHz |
2.5x |
1 & 2 |
3 & 4, 5 & 6, 7 & 8 |
1 & 2 |
|
180MHz |
60MHz |
3x |
3 & 4 |
1 & 2, 3 & 4, 7 & 8 |
3 & 4 |
|
200MHz |
66MHz |
3x |
1 & 2 |
1 & 2, 3 & 4, 7 & 8 |
1 & 2 |
|
Note: Pins designated should be in the closed position. |
|||||
|
CPU VOLTAGE SELECTION |
||
|
Voltage |
JP1 |
|
|
» |
Auto detect |
Open |
|
|
2.1v |
Pins 1 & 2 closed |
|
|
2.2v |
Pins 3 & 4 closed |
|
|
2.3v |
Pins 1 & 2, 3 & 4 closed |
|
|
2.4v |
Pins 5 & 6 closed |
|
|
2.5v |
Pins 1 & 2, 5 & 6 closed |
|
|
2.6v |
Pins 3 & 4, 5 & 6 closed |
|
|
2.7v |
Pins 1 & 2, 3 & 4, 5 & 6 closed |
|
|
2.8v |
Pins 7 & 8 closed |
|
|
2.9v |
Pins 1 & 2, 7 & 8 closed |
|
|
3.0v |
Pins 3 & 4, 7 & 8 closed |
|
|
3.1v |
Pins 1 & 2, 3 & 4, 7 & 8 closed |
|
|
3.2v |
Pins 5 & 6, 7 & 8 closed |
|
|
3.3v |
Pins 1 & 2, 5 & 6, 7 & 8 closed |
|
|
3.4v |
Pins 3 & 4, 5 & 6, 7 & 8 closed |
|
|
3.5v |
Pins 1 & 2, 3 & 4, 5 & 6, 7 & 8 closed |
|
FLASH BIOS SELECTION |
|||
|
Setting |
JP11 |
JP12 |
|
|
» |
Enabled |
Pins 1 & 2 closed |
Pins 1 & 2 closed |
|
|
Disabled |
Pins 2 & 3 closed |
Pins 2 & 3 closed |