AAEON TECHNOLOGY, INC.
PCM-4890
|
Device Type |
Single board computer |
|
Processor |
CX486DX2/AM486DX2/80486DX2/CX486DX4/AM486DX4/80486DX4/ CX 5X86/AM 5X86 |
|
Processor Speed |
33/40/66(internal)/80(internal)/100(internal)/120(internal)/ 133(internal)MHz |
|
Chip Set |
VIA |
|
Video Chip Set |
Chips and Technology |
|
Maximum Onboard Memory |
64MB (EDO supported) |
|
Maximum Video Memory |
1MB |
|
Cache |
128/256/512KB |
|
BIOS |
Award |
|
Dimensions |
202mm x 146mm |
|
I/O Options |
AUI connector, Ethernet 10BaseT connector, floppy drive interface, IDE interface, parallel port, PS/2 mouse interface, serial ports (2), VGA port, PC/104 connectors (2) |

|
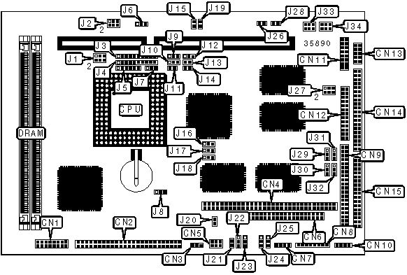
CONNECTIONS |
|||
|
Purpose |
Location |
Purpose |
Location |
|
VGA interface |
CN1 |
Main power connector |
CN10 |
|
Flat panel connector |
CN2 |
AUI connector |
CN11 |
|
Chassis fan power |
CN3 |
Parallel port |
CN12 |
|
PC/104 connector |
CN4 |
Ethernet 10BaseT connector |
CN13 |
|
Front panel connector |
CN5 |
Serial port |
CN14 |
|
PC/104 connector |
CN6 |
Floppy drive interface |
CN15 |
|
Power connector |
CN7 |
Ethernet LED |
J26 |
|
PS/2 mouse/keyboard interface |
CN8 |
Ethernet LED |
J28 |
|
IDE interface |
CN9 |
|
|
|
USER CONFIGURABLE SETTINGS |
|||
|
Function |
Label |
Position |
|
|
» |
CMOS memory normal operation |
J8 |
Pins 1 & 2 closed |
|
|
CMOS memory clear |
J8 |
Pins 2 & 3 closed |
|
|
Cache type select write through |
J12 |
Closed |
|
|
Cache type select write back |
J12 |
Open |
|
|
Watchdog timer reset |
J19 |
Open |
|
|
Watchdog timer IRQ15 |
J19 |
Closed |
|
|
Buzzer enabled |
J21 |
Closed |
|
|
Buzzer disabled |
J21 |
Open |
|
» |
Parallel port IRQ select IRQ7 |
J23 |
Pins 2 & 3 closed |
|
|
Parallel port IRQ select IRQ5 |
J23 |
Pins 1 & 2 closed |
|
SIMM CONFIGURATION |
||
|
Size |
Bank 0 |
Bank 1 |
|
1MB |
(1) 256K x 36 |
None |
|
2MB |
(1) 512K x 36 |
None |
|
2MB |
(1) 256K x 36 |
(1) 256K x 36 |
|
3MB |
(1) 512K x 36 |
(1) 256K x 36 |
|
4MB |
(1) 1M x 36 |
None |
|
4MB |
(1) 512K x 36 |
(1) 512K x 36 |
|
5MB |
(1) 1M x 36 |
(1) 256K x 36 |
|
6MB |
(1) 1M x 36 |
(1) 512K x 36 |
|
8MB |
(1) 2M x 36 |
None |
|
8MB |
(1) 1M x 36 |
(1) 1M x 36 |
|
9MB |
(1) 2M x 36 |
(1) 256K x 36 |
|
10MB |
(1) 2M x 36 |
(1) 512K x 36 |
|
SIMM CONFIGURATION (CON'T) |
||
|
Size |
Bank 0 |
Bank 1 |
|
12MB |
(1) 2M x 36 |
(1) 1M x 36 |
|
16MB |
(1) 4M x 36 |
None |
|
16MB |
(1) 2M x 36 |
(1) 2M x 36 |
|
17MB |
(1) 4M x 36 |
(1) 256K x 36 |
|
18MB |
(1) 4M x 36 |
(1) 512K x 36 |
|
20MB |
(1) 4M x 36 |
(1) 1M x 36 |
|
24MB |
(1) 4M x 36 |
(1) 2M x 36 |
|
32MB |
(1) 8M x 36 |
None |
|
32MB |
(1) 4M x 36 |
(1) 4M x 36 |
|
33MB |
(1) 8M x 36 |
(1) 256K x 36 |
|
34MB |
(1) 8M x 36 |
(1) 512K x 36 |
|
36MB |
(1) 8M x 36 |
(1) 1M x 36 |
|
40MB |
(1) 8M x 36 |
(1) 2M x 36 |
|
48MB |
(1) 8M x 36 |
(1) 4M x 36 |
|
64MB |
(1) 8M x 36 |
(1) 8M x 36 |
|
CACHE CONFIGURATION |
|
Note: The location of the cache is unidentified. |
|
VIDEO MEMORY CONFIGURATION |
|
Note: The location of the video memory is unidentified. |
|
CPU SPEED SELECTION |
|||
|
Speed |
J16 |
J17 |
J18 |
|
33MHz |
Pins 1 & 2 closed |
Pins 2 & 3 closed |
Pins 2 & 3 closed |
|
40MHz |
Pins 2 & 3 closed |
Pins 1 & 2 closed |
Pins 1 & 2 closed |
|
66iMHz |
Pins 1 & 2 closed |
Pins 2 & 3 closed |
Pins 2 & 3 closed |
|
80iMHz |
Pins 2 & 3 closed |
Pins 1 & 2 closed |
Pins 1 & 2 closed |
|
100iMHz |
Pins 1 & 2 closed |
Pins 2 & 3 closed |
Pins 2 & 3 closed |
|
120iMHz |
Pins 2 & 3 closed |
Pins 1 & 2 closed |
Pins 1 & 2 closed |
|
133iMHz |
Pins 1 & 2 closed |
Pins 2 & 3 closed |
Pins 2 & 3 closed |
|
CPU TYPE SELECTION |
|||
|
Type |
J3 |
J4 |
J5 |
|
CX486DX2 |
Open |
1 & 2, 3 & 4, 5 & 6, 7 & 8, 9 & 10 |
Open |
|
AM486DX2 |
Open |
Open |
1 & 2, 3 & 4, 5 & 6 |
|
80486DX2 |
1 & 2, 3 & 4, 5 & 6, 7 & 8, 9 & 10 |
Open |
Open |
|
CX486DX4 |
1 & 2, 3 & 4, 5 & 6, 7 & 8, 9 & 10 |
Open |
Open |
|
AM486DX4-100 |
1 & 2, 3 & 4, 5 & 6, 7 & 8, 9 & 10 |
Open |
Open |
|
AM486DX4-120 |
1 & 2, 3 & 4, 5 & 6, 7 & 8, 9 & 10 |
Open |
Open |
|
80486DX4 |
1 & 2, 3 & 4, 5 & 6, 7 & 8, 9 & 10 |
Open |
Open |
|
CX 5X86 |
Open |
1 & 2, 3 & 4, 5 & 6, 7 & 8, 9 & 10 |
Open |
|
AM 5X86 |
1 & 2, 3 & 4, 5 & 6, 7 & 8, 9 & 10 |
Open |
Open |
|
Note: Pins designated should be in the closed position. |
|||
|
CPU TYPE SELECTION (CON'T) |
||||
|
Type |
J7 |
J9 |
J10 |
J11 |
|
CX486DX2 |
1 & 2 |
1 & 2 |
1 & 2 |
Closed |
|
AM486DX2 |
2 & 3 |
1 & 2 |
1 & 2 |
Closed |
|
80486DX2 |
2 & 3 |
1 & 2 |
1 & 2 |
Closed |
|
CX486DX4 |
1 & 2 |
1 & 2 |
1 & 2 |
Closed |
|
AM486DX4-100 |
1 & 2 |
1 & 2 |
1 & 2 |
Closed |
|
AM486DX4-120 |
2 & 3 |
1 & 2 |
1 & 2 |
Closed |
|
80486DX4 |
2 & 3 |
1 & 2 |
1 & 2 |
Closed |
|
CX 5X86 |
1 & 2 |
1 & 2 |
1 & 2 |
Closed |
|
AM 5X86 |
2 & 3 |
1 & 2 |
1 & 2 |
Closed |
|
Note: Pins designated should be in the closed position. |
||||
|
CPU MULTIPLIER SELECTION |
||
|
Multiplier |
J13 |
J14 |
|
1x |
Open |
Open |
|
2x |
Closed |
Closed |
|
CPU VOLTAGE SELECTION (SINGLE) |
|
|
Voltage |
J1 |
|
3v |
Pins 1 & 3, 2 & 4 closed |
|
5v |
Pins 3 & 5, 4 & 6 closed |
|
CPU VOLTAGE SELECTION (DUAL) |
||
|
Voltage |
J2 |
|
|
» |
3.3v |
Pins 1 & 2 closed |
|
|
3.45v |
Pins 3 & 4 closed |
|
|
3.6v |
Pins 5 & 6 closed |
|
DMA CHANNEL SELECTION |
|||
|
Channel |
J6 |
J22 |
|
|
» |
1 |
Pins 1 & 2 closed |
Pins 1 & 2 closed |
|
|
3 |
Pins 2 & 3 closed |
Pins 2 & 3 closed |
|
SERIAL PORT 2 SELECTION |
|
|
Setting |
J27 |
|
RS-232 |
Pins 1 & 2 closed |
|
RS-422 |
Pins 3 & 4 closed |
|
RS-485 |
Pins 5 & 6 closed |
|
SERIAL PORT VOLTAGE SELECTION |
||||
|
Setting |
J29 |
J30 |
J31 |
J32 |
|
RS-232 |
Pins 1 & 2 closed |
Pins 1 & 2 closed |
Pins 1 & 2 closed |
Pins 1 & 2 closed |
|
RS-422 |
Pins 2 & 3 closed |
Pins 2 & 3 closed |
Pins 2 & 3 closed |
Pins 2 & 3 closed |
|
RS-485 |
Pins 2 & 3 closed |
Pins 2 & 3 closed |
Pins 2 & 3 closed |
Pins 2 & 3 closed |
|
SERIAL PORT COM3 INTERRUPT SELECTION |
|
|
IRQ |
J24 |
|
IRQ5 |
Pins 1 & 2 closed |
|
IRQ10 |
Pins 2 & 3 closed |
|
SERIAL PORT COM4 INTERRUPT SELECTION |
|
|
IRQ |
J25 |
|
IRQ5 |
Pins 1 & 2 closed |
|
IRQ10 |
Pins 2 & 3 closed |
|
SERIAL PORT COM3/4 VOLTAGE SELECTION |
||
|
Voltage |
J33 |
J34 |
|
Ring |
Pins 1 & 2 closed |
Pins 1 & 2 closed |
|
5v |
Pins 3 & 4 closed |
Pins 3 & 4 closed |
|
12v |
Pins 5 & 6 closed |
Pins 5 & 6 closed |
|
WATCHDOG TIMER SELECTION |
||
|
Setting |
J15 |
J20 |
|
Enabled |
Closed |
Closed |
|
Disabled |
Open |
Open |