CALIFORNIA GRAPHICS & PERIPHERALS, INC.
POWER PRO II AGP VIDEO
|
Device Type |
Mainboard |
|
Processor |
Pentium II |
|
Processor Speed |
233/266/300MHz |
|
Chip Set |
Intel 440LX |
|
Video Chip Set |
S3 |
|
Maximum Onboard Memory |
384MB DRAM (EDO & SDRAM supported) |
|
Maximum Video Memory |
4MB DRAM |
|
Cache |
512KB cache (located on the Pentium II CPU) |
|
BIOS |
AMI |
|
Dimensions |
307mm x 241mm |
|
I/O Options |
PS/2 mouse port, USB port (2), serial ports (2), parallel port, VGA port, line out, line in, microphone, game port, TV out connector, audio in - CD-ROM (2), Wave table connector, VGA feature connector, IR connector |
|
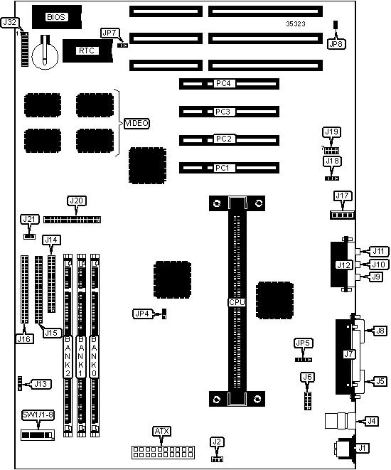
CONNECTIONS | |||
|
Purpose |
Location |
Purpose |
Location |
|
ATX Connector |
ATX |
IDE interface 2 |
J16 |
|
PS/2 mouse port |
J1 |
Audio in - CD-ROM |
J17 |
|
CPU fan power |
J2 |
Audio in - CD-ROM |
J18 |
|
USB port 1 |
J4 |
Wave table connector |
J19 |
|
USB port 2 |
J4 |
VGA feature connector |
J20 |
|
Serial port 1 |
J5 |
Chassis fan power |
J21 |
|
Serial port 2 |
J6 |
Speaker |
J32/pins 1 - 4 |
|
Parallel port |
J7 |
Soft off power supply |
J32/pins 6 & 16 |
|
VGA port |
J8 |
Power switch |
J32/pins 7 & 17 |
|
Line out |
J9 |
Turbo LED |
J32/pins 8 & 18 |
|
Line in |
J10 |
Reset switch |
J32/pins 9 & 19 |
|
Microphone |
J11 |
IDE interface LED |
J32/pins 10 & 20 |
|
Game port |
J12 |
Power LED & keylock |
J32/pins 11 - 15 |
|
TV out connector |
J13 |
Chassis intrusion monitoring |
JP4 |
|
Floppy drive interface |
J14 |
IR connector |
JP5 |
|
IDE interface 1 |
J15 |
32-bit PCI slots |
PC1 - PC4 |
|
USER CONFIGURABLE SETTINGS | |||
|
Function |
Label |
Position | |
|
» |
CMOS memory normal operation |
JP7 |
Pins 1 & 2 closed |
|
CMOS memory clear |
JP7 |
Pins 2 & 3 closed | |
|
» |
Onboard audio enabled |
JP8 |
Closed |
|
Onboard audio disabled |
JP8 |
Open | |
|
DIMM CONFIGURATION | |||
|
Size |
Bank 0 |
Bank 1 |
Bank 2 |
|
8MB |
(1) 1MB x 64 |
None |
None |
|
16MB |
(1) 1MB x 64 |
(1) 1MB x 64 |
None |
|
16MB |
(1) 2MB x 64 |
None |
None |
|
24MB |
(1) 1MB x 64 |
(1) 1MB x 64 |
(1) 1MB x 64 |
|
24MB |
(1) 2MB x 64 |
(1) 1MB x 64 |
None |
|
32MB |
(1) 2MB x 64 |
(1) 2MB x 64 |
None |
|
32MB |
(1) 4MB x 64 |
None |
None |
|
32MB |
(1) 2MB x 64 |
(1) 1MB x 64 |
(1) 1MB x 64 |
|
40MB |
(1) 4MB x 64 |
(1) 1MB x 64 |
None |
|
48MB |
(1) 2MB x 64 |
(1) 2MB x 64 |
(1) 2MB x 64 |
|
48MB |
(1) 4MB x 64 |
(1) 2MB x 64 |
None |
|
48MB |
(1) 4MB x 64 |
(1) 1MB x 64 |
(1) 1MB x 64 |
|
56MB |
(1) 4MB x 64 |
(1) 2MB x 64 |
(1) 1MB x 64 |
|
64MB |
(1) 4MB x 64 |
(1) 4MB x 64 |
None |
|
64MB |
(1) 8MB x 64 |
None |
None |
|
64MB |
(1) 4MB x 64 |
(1) 2MB x 64 |
(1) 2MB x 64 |
|
72MB |
(1) 8MB x 64 |
(1) 1MB x 64 |
None |
|
DIMM CONFIGURATION (CONT.) | |||
|
Size |
Bank 0 |
Bank 1 |
Bank 2 |
|
80MB |
(1) 8MB x 64 |
(1) 2MB x 64 |
None |
|
80MB |
(1) 8MB x 64 |
(1) 1MB x 64 |
(1) 1MB x 64 |
|
96MB |
(1) 4MB x 64 |
(1) 4MB x 64 |
(1) 4MB x 64 |
|
96MB |
(1) 8MB x 64 |
(1) 4MB x 64 |
None |
|
96MB |
(1) 8MB x 64 |
(1) 2MB x 64 |
(1) 2MB x 64 |
|
104MB |
(1) 8MB x 64 |
(1) 4MB x 64 |
(1) 1MB x 64 |
|
112MB |
(1) 8MB x 64 |
(1) 4MB x 64 |
(1) 2MB x 64 |
|
128MB |
(1) 8MB x 64 |
(1) 8MB x 64 |
None |
|
128MB |
(1) 16MB x 64 |
None |
None |
|
128MB |
(1) 8MB x 64 |
(1) 4MB x 64 |
(1) 4MB x 64 |
|
136MB |
(1) 16MB x 64 |
(1) 1MB x 64 |
None |
|
144MB |
(1) 16MB x 64 |
(1) 2MB x 64 |
None |
|
144MB |
(1) 16MB x 64 |
(1) 1MB x 64 |
(1) 1MB x 64 |
|
152MB |
(1) 16MB x 64 |
(1) 2MB x 64 |
(1) 1MB x 64 |
|
160MB |
(1) 16MB x 64 |
(1) 2MB x 64 |
(1) 2MB x 64 |
|
168MB |
(1) 16MB x 64 |
(1) 4MB x 64 |
None |
|
168MB |
(1) 16MB x 64 |
(1) 4MB x 64 |
(1) 1MB x 64 |
|
176MB |
(1) 16MB x 64 |
(1) 4MB x 64 |
(1) 2MB x 64 |
|
192MB |
(1) 8MB x 64 |
(1) 8MB x 64 |
(1) 8MB x 64 |
|
192MB |
(1) 16MB x 64 |
(1) 8MB x 64 |
None |
|
192MB |
(1) 16MB x 64 |
(1) 4MB x 64 |
(1) 4MB x 64 |
|
200MB |
(1) 16MB x 64 |
(1) 8MB x 64 |
(1) 1MB x 64 |
|
208MB |
(1) 16MB x 64 |
(1) 8MB x 64 |
(1) 2MB x 64 |
|
224MB |
(1) 16MB x 64 |
(1) 8MB x 64 |
(1) 4MB x 64 |
|
256MB |
(1) 16MB x 64 |
(1) 16MB x 64 |
None |
|
256MB |
(1) 16MB x 64 |
(1) 8MB x 64 |
(1) 8MB x 64 |
|
384MB |
(1) 16MB x 64 |
(1) 16MB x 64 |
(1) 16MB x 64 |
|
CPU SPEED SELECTION | ||||||
|
Speed |
Clock speed |
Multiplier |
SW1/1 |
SW1/2 |
SW1/3 |
SW1/4 |
|
233MHz |
66MHz |
3.5x |
Off |
Off |
On |
Off |
|
266MHz |
66MHz |
4x |
Off |
Off |
Off |
On |
|
300MHz |
66MHz |
4.5x |
Off |
Off |
Off |
On |
|
CPU SPEED SELECTION (CONT.) | ||||||
|
Speed |
Clock speed |
Multiplier |
SW1/5 |
SW1/6 |
SW1/7 |
SW1/8 |
|
233MHz |
66MHz |
3.5x |
Off |
On |
Off |
Off |
|
266MHz |
66MHz |
4x |
On |
On |
Off |
Off |
|
300MHz |
66MHz |
4.5x |
Off |
On |
Off |
Off |