OCEAN INFORMATION SYSTEMS, INC.

HIPPO DCA 1 486 REV. 1.0

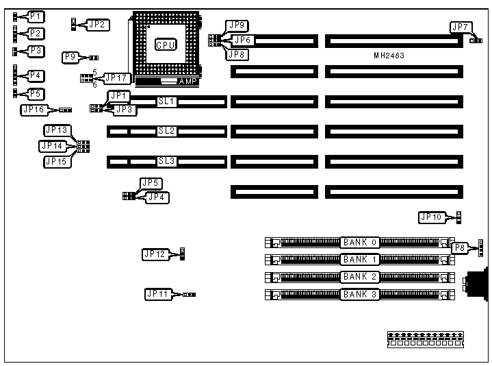
Processor

80486SX/80487SX/80486DX/80486DX2/80486DX4

Processor Speed

25/33/50(internal)/66(internal)/75(internal)/100(internal)MHz

Chip Set

Unidentified

Max. Onboard DRAM

64MB

Cache

None

BIOS

Unidentified

Dimensions

330mm x 218mm

I/O Options

32-bit VESA local bus slots (3)

NPU Options

None

CONNECTIONS

Purpose

Location

Purpose

Location

Turbo switch

P1

Turbo LED

P5

Speaker

P2

External battery

P8

Reset switch

P3

Chassis fan power

P9

Power LED & keylock

P4

32-bit VESA local bus slots

SL1 - SL3

USER CONFIGURABLE SETTINGS

Function

Jumper

Position

»

Factory configured - do not alter

JP1

pins 1 & 2 closed

»

Factory configured - do not alter

JP2

N/A

»

Factory configured - do not alter

JP3

Open

»

Monitor type select monochrome

JP7

pins 2 & 3 closed

 

Monitor type select CGA/EGA/VGA

JP7

pins 1 & 2 closed

»

CMOS memory normal operation

JP10

pins 1 & 2 closed

 

CMOS memory clear

JP10

pins 2 & 3 closed

»

Factory configured - do not alter

JP11

N/A

»

Factory configured - do not alter

JP12

N/A

»

Factory configured - do not alter

JP13

pins 2 & 3 closed

»

Factory configured - do not alter

JP14

pins 2 & 3 closed

»

Factory configured - do not alter

JP15

pins 2 & 3 closed

»

Factory configured - do not alter

JP16

pins 1 & 2 closed

DRAM CONFIGURATION

Size

Bank 0

Bank 1

Bank 2

Bank 3

4MB

(1) 1M x 36

NONE

NONE

NONE

8MB

(1) 1M x 36

(1) 1M x 36

NONE

NONE

8MB

(1) 2M x 36

NONE

NONE

NONE

12MB

(1) 1M x 36

(1) 1M x 36

(1) 1M x 36

NONE

12MB

(1) 1M x 36

(1) 2M x 36

NONE

NONE

16MB

(1) 1M x 36

(1) 1M x 36

(1) 1M x 36

(1) 1M x 36

16MB

(1) 2M x 36

(1) 2M x 36

NONE

NONE

16MB

(1) 4M x 36

NONE

NONE

NONE

20MB

(1) 1M x 36

(1) 1M x 36

(1) 1M x 36

(1) 2M x 36

20MB

(1) 1M x 36

(1) 2M x 36

(1) 2M x 36

NONE

20MB

(1) 1M x 36

(1) 4M x 36

NONE

NONE

24MB

(1) 1M x 36

(1) 1M x 36

(1) 2M x 36

(1) 2M x 36

24MB

(1) 2M x 36

(1) 2M x 36

(1) 2M x 36

NONE

24MB

(1) 2M x 36

(1) 4M x 36

NONE

NONE

28MB

(1) 1M x 36

(1) 2M x 36

(1) 4M x 36

NONE

28MB

(1) 1M x 36

(1) 2M x 36

(1) 2M x 36

(1) 2M x 36

32MB

(1) 2M x 36

(1) 2M x 36

(1) 2M x 36

(1) 2M x 36

32MB

(1) 4M x 36

(1) 4M x 36

NONE

NONE

40MB

(1) 2M x 36

(1) 4M x 36

(1) 4M x 36

NONE

48MB

(1) 2M x 36

(1) 2M x 36

(1) 4M x 36

(1) 4M x 36

56MB

(1) 2M x 36

(1) 4M x 36

(1) 4M x 36

(1) 4M x 36

64MB

(1) 4M x 36

(1) 4M x 36

(1) 4M x 36

(1) 4M x 36

CPU TYPE CONFIGURATION

Type

JP6

JP8

JP9

80486SX

pins 2 & 3 closed

Open

pins 1 & 2 closed

80487SX

pins 1 & 2 closed

pins 1 & 2 closed

pins 2 & 3 closed

80486DX

pins 1 & 2 closed

pins 2 & 3 closed

pins 2 & 3 closed

80486DX2

pins 1 & 2 closed

pins 2 & 3 closed

pins 2 & 3 closed

80486DX4

pins 1 & 2 closed

pins 2 & 3 closed

pins 2 & 3 closed

CPU SPEED CONFIGURATION

Speed

JP4

JP5

25MHz

pins 2 & 3 closed

pins 2 & 3 closed

33MHz

pins 1 & 2 closed

pins 1 & 2 closed

50iMHz

pins 2 & 3 closed

pins 2 & 3 closed

66iMHz

pins 1 & 2 closed

pins 1 & 2 closed

75iMHz

pins 2 & 3 closed

pins 2 & 3 closed

100iMHz

pins 1 & 2 closed

pins 1 & 2 closed

CPU SPEED CONFIGURATION (80486DX4 ONLY)

Speed

JP17

2x

pins 3 & 4 closed

2.5x

pins 5 & 6 closed

3x

pins 1 & 2 closed