MICRO-STAR INTERNATIONAL CO., LTD.
MS-6117
|
Device Type |
Mainboard |
|
Processor |
Pentium II |
|
Processor Speed |
200/233/266/300/333MHz |
|
Chip Set |
Intel |
|
Video Chip Set |
None |
|
Maximum Onboard Memory |
1GB (EDO & SDRAM supported) |
|
Maximum Video Memory |
None |
|
Cache |
256/512KB (located on Pentium II CPU) |
|
BIOS |
Unidentified |
|
Dimensions |
305mm x 186mm |
|
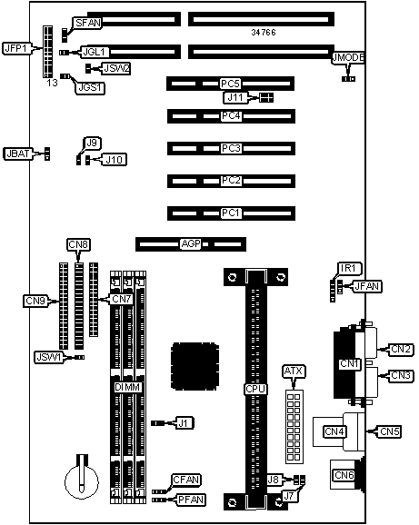
I/O Options |
32-bit PCI slots (5), floppy drive interface, green PC connector, IDE interfaces (2), parallel port, PS/2 mouse port, serial ports (2), IR connector, USB connectors (2), ATX power connector, AGP slot |
|
NPU Options |
None |
|
CONNECTIONS | |||
|
Purpose |
Location |
Purpose |
Location |
|
AGP slot |
AGP |
Green PC LED |
JGL1 |
|
ATX power connector |
ATX |
Green PC connector |
JGS1 |
|
CPU fan power |
CFAN |
Turbo LED |
JFP1/pins 2 & 3 |
|
Parallel port |
CN1 |
Reset switch |
JFP1/pins 9 & 10 |
|
Serial port 2 |
CN2 |
IDE interface LED |
JFP1/pins 12 & 24 |
|
Serial port 1 |
CN3 |
Power LED & keylock |
JFP1/pins 13 - 17 |
|
USB connector 1 |
CN4 |
Speaker |
JFP1/pins 19 - 22 |
|
USB connector 2 |
CN5 |
Chassis fan power |
JFAN |
|
PS/2 mouse port |
CN6 |
Soft off power supply |
JSW1 |
|
Floppy drive interface |
CN7 |
Soft off power supply |
JSW2 |
|
IDE interface |
CN8 |
32-bit PCI slots |
PC1 – PC5 |
|
IDE interface |
CN9 |
Power supply fan |
PFAN |
|
IR connector |
IR1 |
Chassis fan power |
SFAN |
|
USER CONFIGURABLE SETTINGS | |||
|
Function |
Label |
Position | |
|
» |
Factory configured - do not alter |
J1 |
Unidentified |
|
» |
Factory configured - do not alter |
J11 |
Unidentified |
|
» |
CMOS memory normal operation |
JBAT |
Pins 1 & 2 closed |
|
CMOS memory clear |
JBAT |
Pins 2 & 3 closed | |
|
» |
Flash BIOS voltage select 12v |
JMODE |
Pins 1 & 2 closed |
|
Flash BIOS voltage select 5v |
JMODE |
Pins 2 & 3 closed | |
|
DIMM CONFIGURATION | |||
|
Size |
Bank 0 |
Bank 1 |
Bank 2 |
|
8MB |
(1) 1M x 64 |
None |
None |
|
16MB |
(1) 2M x 64 |
None |
None |
|
16MB |
(1) 1M x 64 |
(1) 1M x 64 |
None |
|
24MB |
(1) 2M x 64 |
(1) 1M x 64 |
None |
|
24MB |
(1) 1M x 64 |
(1) 1M x 64 |
(1) 1M x 64 |
|
32MB |
(1) 4M x 64 |
None |
None |
|
32MB |
(1) 2M x 64 |
(1) 1M x 64 |
(1) 1M x 64 |
|
32MB |
(1) 2M x 64 |
(1) 2M x 64 |
None |
|
40MB |
(1) 4M x 64 |
(1) 1M x 64 |
None |
|
40MB |
(1) 2M x 64 |
(1) 2M x 64 |
(1) 1M x 64 |
|
48MB |
(1) 4M x 64 |
(1) 1M x 64 |
(1) 1M x 64 |
|
48MB |
(1) 4M x 64 |
(1) 2M x 64 |
None |
|
48MB |
(1) 2M x 64 |
(1) 2M x 64 |
(1) 2M x 64 |
|
56MB |
(1) 4M x 64 |
(1) 2M x 64 |
(1) 1M x 64 |
|
64MB |
(1) 8M x 64 |
None |
None |
|
64MB |
(1) 4M x 64 |
(1) 2M x 64 |
(1) 2M x 64 |
|
DIMM CONFIGURATION (CON’T) | |||
|
Size |
Bank 0 |
Bank 1 |
Bank 2 |
|
64MB |
(1) 4M x 64 |
(1) 4M x 64 |
None |
|
72MB |
(1) 8M x 64 |
(1) 1M x 64 |
None |
|
72MB |
(1) 4M x 64 |
(1) 4M x 64 |
(1) 1M x 64 |
|
80MB |
(1) 8M x 64 |
(1) 1M x 64 |
(1) 1M x 64 |
|
80MB |
(1) 8M x 64 |
(1) 2M x 64 |
None |
|
80MB |
(1) 4M x 64 |
(1) 4M x 64 |
(1) 2M x 64 |
|
88MB |
(1) 8M x 64 |
(1) 2M x 64 |
(1) 1M x 64 |
|
96MB |
(1) 8M x 64 |
(1) 2M x 64 |
(1) 2M x 64 |
|
96MB |
(1) 8M x 64 |
(1) 4M x 64 |
None |
|
96MB |
(1) 4M x 64 |
(1) 4M x 64 |
(1) 4M x 64 |
|
104MB |
(1) 8M x 64 |
(1) 4M x 64 |
(1) 1M x 64 |
|
112MB |
(1) 8M x 64 |
(1) 4M x 64 |
(1) 2M x 64 |
|
128MB |
(1) 16M x 64 |
None |
None |
|
128MB |
(1) 8M x 64 |
(1) 4M x 64 |
(1) 4M x 64 |
|
128MB |
(1) 8M x 64 |
(1) 8M x 64 |
None |
|
136MB |
(1) 16M x 64 |
(1) 1M x 64 |
None |
|
136MB |
(1) 8M x 64 |
(1) 8M x 64 |
(1) 1M x 64 |
|
144MB |
(1) 16M x 64 |
(1) 1M x 64 |
(1) 1M x 64 |
|
144MB |
(1) 16M x 64 |
(1) 2M x 64 |
None |
|
144MB |
(1) 8M x 64 |
(1) 8M x 64 |
(1) 2M x 64 |
|
152MB |
(1) 16M x 64 |
(1) 2M x 64 |
(1) 1M x 64 |
|
160MB |
(1) 16M x 64 |
(1) 2M x 64 |
(1) 2M x 64 |
|
160MB |
(1) 16M x 64 |
(1) 4M x 64 |
None |
|
160MB |
(1) 8M x 64 |
(1) 8M x 64 |
(1) 4M x 64 |
|
168MB |
(1) 16M x 64 |
(1) 4M x 64 |
(1) 1M x 64 |
|
176MB |
(1) 16M x 64 |
(1) 4M x 64 |
(1) 2M x 64 |
|
192MB |
(1) 16M x 64 |
(1) 4M x 64 |
(1) 4M x 64 |
|
192MB |
(1) 16M x 64 |
(1) 8M x 64 |
None |
|
192MB |
(1) 8M x 64 |
(1) 8M x 64 |
(1) 8M x 64 |
|
200MB |
(1) 16M x 64 |
(1) 8M x 64 |
(1) 1M x 64 |
|
208MB |
(1) 16M x 64 |
(1) 8M x 64 |
(1) 2M x 64 |
|
224MB |
(1) 16M x 64 |
(1) 8M x 64 |
(1) 4M x 64 |
|
256MB |
(1) 16M x 64 |
(1) 8M x 64 |
(1) 8M x 64 |
|
384MB |
(1) 16M x 64 |
(1) 16M x 64 |
(1) 16M x 64 |
|
512MB |
(1) 32M x 64 |
(1) 32M x 64 |
None |
|
512MB |
(1) 64M x 64 |
None |
None |
|
768MB |
(1) 32M x 64 |
(1) 32M x 64 |
(1) 32M x 64 |
|
1024MB |
(1) 64M x 64 |
(1) 64M x 64 |
None |
|
Note: Board accepts EDO & SDRAM memory. 512MB maximum if using EDO memory. 1024MB maximum if using EDO memory. | |||
|
CACHE CONFIGURATION |
|
Note: 256KB/512KB cache is located on the Pentium II CPU. |
|
CPU SPEED SELECTION | ||||||||
|
CPU speed |
Clock speed |
Multiplier |
J9 |
J10 |
SW1/1 |
SW1/2 |
SW1/3 |
SW1/4 |
|
200MHz |
66MHz |
3x |
Open |
Open |
On |
On |
Off |
On |
|
233MHz |
66MHz |
3.5x |
Open |
Open |
On |
Off |
Off |
On |
|
266MHz |
66MHz |
4x |
Open |
Open |
On |
On |
On |
Off |
|
300MHz |
66MHz |
4.5x |
Open |
Open |
On |
Off |
On |
Off |
|
333MHz |
66MHz |
5x |
Open |
Open |
On |
On |
Off |
Off |
|
Note: The location of SW1 is unidentified. | ||||||||
|
KEYBOARD POWER SELECTION | |||
|
Voltage |
J7 |
J8 | |
| » |
5v |
Closed |
Open |
|
5v standby |
Open |
Closed | |