TRIGEM MICROSYSTEM, INC.

RD535

Device Type

Mainboard

Processor

AM K6/Pentium

Processor Speed

120/133/166/200/233MHz

Chip Set

Unidentified

Video Chip Set

None

Maximum Onboard Memory

256MB

Maximum Video Memory

None

Cache

256/512KB

BIOS

Unidentified

Dimensions

305mm x 244mm

I/O Options

32-bit PCI slots (4), floppy drive interface, IDE interfaces (2), parallel port, PS/2 mouse port, serial ports (2), IR connector, USB connectors (2), ATX power connector

NPU Options

None

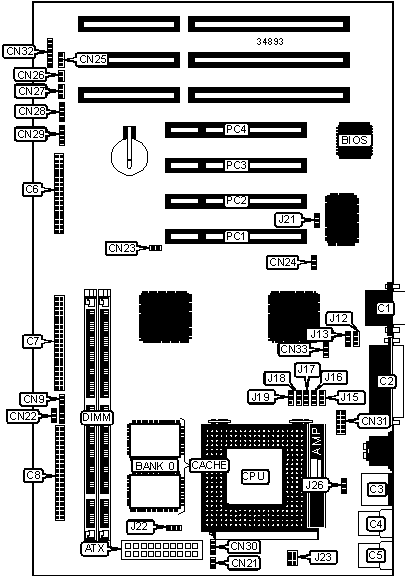
CONNECTIONS

Purpose

Location

Purpose

Location

ATX power connector

ATX

Soft off power supply

CN23

Serial port 1

C1

Keylock

CN24

Parallel port

C2

Chassis fan power

CN25

PS/2 mouse port

C3

Chassis fan power

CN26

USB connector 1

C4

Power LED

CN27

USB connector 2

C5

IDE interface LED

CN28

Floppy drive interface

C6

Speaker

CN29

IDE interface 1

C7

CPU fan power

CN30

IDE interface 2

C8

Serial port 2

CN31

Wake on LAN connector

CN9

IR connector

CN32

Reset switch

CN21

CPU fan power

CN33

Wake on modem connector

CN22

32-bit PCI slots

PC1 – PC4

USER CONFIGURABLE SETTINGS

Function

Label

Position

»

Password enabled

J12

Pins 2 & 3 closed

 

Password disabled

J12

Pins 1 & 2 closed

»

CMOS memory normal operation

J13

Pins 2 & 3 closed

 

CMOS memory clear

J13

Pins 1 & 2 closed

»

Factory configured - do not alter

J21

Unidentified

»

Factory configured - do not alter

J22

Pins 1 & 2 closed

DIMM CONFIGURATION

Size

Bank 0

Bank 1

8MB

(1) 1M x 64

None

16MB

(1) 2M x 64

None

16MB

(1) 1M x 64

(1) 1M x 64

24MB

(1) 2M x 64

(1) 1M x 64

32MB

(1) 4M x 64

None

32MB

(1) 2M x 64

(1) 2M x 64

40MB

(1) 4M x 64

(1) 1M x 64

48MB

(1) 4M x 64

(1) 2M x 64

64MB

(1) 8M x 64

None

64MB

(1) 4M x 64

(1) 4M x 64

72MB

(1) 8M x 64

(1) 1M x 64

80MB

(1) 8M x 64

(1) 2M x 64

96MB

(1) 8M x 64

(1) 4M x 64

DIMM CONFIGURATION (CON’T)

Size

Bank 0

Bank 1

128MB

(1) 16M x 64

None

128MB

(1) 8M x 64

(1) 8M x 64

136MB

(1) 16M x 64

(1) 1M x 64

144MB

(1) 16M x 64

(1) 2M x 64

160MB

(1) 16M x 64

(1) 4M x 64

192MB

(1) 16M x 64

(1) 8M x 64

256MB

(1) 16M x 64

(1) 16M x 64

CACHE CONFIGURATION

Size

Bank 0

256KB

(2) 32K x 32

512KB

(2) 64K x 32

CPU SPEED SELECTION (AM K6)

CPU speed

Clock speed

Multiplier

J15

J16

J17

J18

166MHz

66MHz

2.5x

2 & 3

1 & 2

Open

2 & 3

200MHz

66MHz

3x

1 & 2

1 & 2

Open

2 & 3

233MHz

66MHz

3.5x

1 & 2

2 & 3

Open

2 & 3

Note: Pins designated should be in the closed position.

CPU SPEED SELECTION (AM K6, CON’T)

CPU speed

Clock speed

Multiplier

J19

J23

J26

166MHz

66MHz

2.5x

1 & 2

1 & 2

1 & 2

200MHz

66MHz

3x

1 & 2

1 & 2

1 & 2

233MHz

66MHz

3.5x

1 & 2

3 & 4

1 & 2

Note: Pins designated should be in the closed position.

CPU SPEED SELECTION (INTEL)

CPU speed

Clock speed

Multiplier

J15

J16

J17

J18

120MHz

60MHz

2x

2 & 3

2 & 3

Open

1 & 2

133MHz

66MHz

2x

2 & 3

2 & 3

Open

2 & 3

166MHz

66MHz

2.5x

2 & 3

1 & 2

Open

2 & 3

200MHz

66MHz

3x

1 & 2

1 & 2

Open

2 & 3

Note: Pins designated should be in the closed position.

CPU SPEED SELECTION (INTEL, CON’T)

CPU speed

Clock speed

Multiplier

J19

J23

J26

120MHz

60MHz

2x

2 & 3

5 & 6

2 & 3

133MHz

66MHz

2x

1 & 2

5 & 6

2 & 3

166MHz

66MHz

2.5x

1 & 2

5 & 6

2 & 3

200MHz

66MHz

3x

1 & 2

5 & 6

2 & 3

Note: Pins designated should be in the closed position.

CPU SPEED SELECTION (INTEL MMX)

CPU speed

Clock speed

Multiplier

J15

J16

J17

J18

166MHz

66MHz

2.5x

2 & 3

1 & 2

Open

2 & 3

200MHz

66MHz

3x

1 & 2

1 & 2

Open

2 & 3

233MHz

66MHz

3.5x

1 & 2

2 & 3

2 & 3

1 & 2

Note: Pins designated should be in the closed position.

CPU SPEED SELECTION (INTEL MMX, CON’T)

CPU speed

Clock speed

Multiplier

J19

J23

J26

166MHz

66MHz

2.5x

1 & 2

1 & 2

1 & 2

200MHz

66MHz

3x

1 & 2

1 & 2

1 & 2

233MHz

66MHz

3.5x

1 & 2

1 & 2

1 & 2

Note: Pins designated should be in the closed position.