SOLTEK COMPUTER, INC.

SL-66B

Device Type

Mainboard

Processor

Pentium II

Processor Speed

233/266/300/333MHz

Chip Set

Intel 440LX

Maximum Onboard Memory

1GB (EDO & SDRAM supported)

Cache

256/512KB (located on the Pentium II CPU)

BIOS

Award

I/O Options

32-bit PCI slots (4), floppy drive interface, IDE interface (2), parallel port, PS/2 mouse port, serial ports (2), USB ports (2), IR connector, ATX power connector, AGP slot, green PC connector

Dimensions

300mm x 190mm

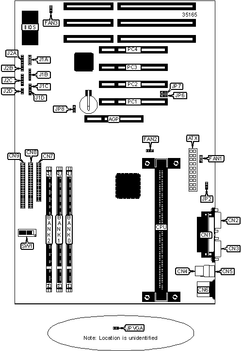
CONNECTIONS

Purpose

Location

Purpose

Location

AGP slot

AGP

CPU fan power

FAN2

ATX power connector

ATX

Chassis fan power

FAN3

Parallel port

CN1

IDE interface LED

J1A

Serial port 2

CN2

IR connector

J1B

Serial port 1

CN3

Power switch

J1C

USB connector 2

CN4

Green PC connector

J1D

USB connector 1

CN5

Speaker

J2A

PS/2 mouse port

CN6

Reset switch

J2B

Floppy drive interface

CN7

Power LED & Keylock

J2C

IDE interface 2

CN8

Turbo LED

J2D

IDE interface 1

CN9

32-bit PCI slots

PC1 - PC4

CPU fan power

FAN1

   

USER CONFIGURABLE SETTINGS

Function

Label

Position

»

Factory configured - do not alter

JP2

Unidentified

»

Normal VGA card enabled

JPVGA

Closed

 

Special VGA card enabled

JPVGA

Open

»

CMOS normal operation

JP8

Pins 1 & 2 closed

 

CMOS clear

JP8

Pins 2 & 3 closed

USB PORT SELECTION

Function

JP6

JP7

»

Redirect USB1 to AGP port

Pins 1 & 2 closed

Pins 1 & 2 closed

 

Redirect all USB ports to USB connector

Pins 2 & 3 closed

Pins 2 & 3 closed

DRAM CONFIGURATION

Size

Bank 0

Bank 1

Bank 2

8MB

(1) 1MB x 36

None

None

16MB

(1) 1MB x 36

(1) 1MB x 64

None

16MB

(1) 2MB x 36

None

None

24MB

(1) 1MB x 36

(1) 1MB x 64

(1) 1MB x 64

24MB

(1) 2MB x 36

(1) 1MB x 64

None

32MB

(1) 2MB x 36

(1) 2MB x 64

None

32MB

(1) 4MB x 36

None

None

40MB

(1) 2MB x 36

(1) 2MB x 64

(1) 1MB x 64

40MB

(1) 4MB x 36

(1) 1MB x 64

None

48MB

(1) 2MB x 36

(1) 2MB x 64

(1) 2MB x 64

48MB

(1) 4MB x 36

(1) 2MB x 64

None

64MB

(1) 4MB x 36

(1) 4MB x 64

None

64MB

(1) 8MB x 36

None

None

72MB

(1) 4MB x 36

(1) 4MB x 64

(1) 1MB x 64

72MB

(1) 8MB x 36

(1) 1MB x 64

None

80MB

(1) 4MB x 36

(1) 4MB x 64

(1) 2MB x 64

80MB

(1) 8MB x 36

(1) 2MB x 64

None

DRAM CONFIGURATION

Size

Bank 0

Bank 1

Bank 2

96MB

(1) 4MB x 36

(1) 4MB x 64

(1) 4MB x 64

96MB

(1) 8MB x 36

(1) 4MB x 64

None

128MB

(1) 8MB x 36

(1) 8MB x 64

None

128MB

(1) 16MB x 36

None

None

136MB

(1) 16MB x 36

(1) 1MB x 64

None

144MB

(1) 16MB x 36

(1) 2MB x 64

None

160MB

(1) 16MB x 36

(1) 4MB x 64

None

192MB

(1) 16MB x 36

(1) 8MB x 64

None

256MB

(1) 16MB x 36

(1) 16MB x 64

None

256MB

(1) 32MB x 36

None

None

264MB

(1) 16MB x 36

(1) 16MB x 64

(1) 1MB x 64

264MB

(1) 32MB x 36

(1) 1MB x 64

None

272MB

(1) 32MB x 36

(1) 2MB x 64

None

272MB

(1) 16MB x 36

(1) 16MB x 64

(1) 2MB x 64

288MB

(1) 16MB x 36

(1) 16MB x 64

(1) 4MB x 64

288MB

(1) 32MB x 36

(1) 4MB x 64

None

320MB

(1) 16MB x 36

(1) 16MB x 64

(1) 8MB x 64

320MB

(1) 32MB x 36

(1) 8MB x 64

None

384MB

(1) 16MB x 36

(1) 16MB x 64

(1) 16MB x 64

384MB

(1) 32MB x 36

(1) 16MB x 64

None

512MB

(1) 32MB x 36

(1) 32MB x 64

None

520MB

(1) 32MB x 36

(1) 32MB x 64

(1) 1MB x 64

528MB

(1) 32MB x 36

(1) 32MB x 64

(1) 2MB x 64

544MB

(1) 32MB x 36

(1) 32MB x 64

(1) 4MB x 64

618MB

(1) 32MB x 36

(1) 32MB x 64

(1) 8MB x 64

640MB

(1) 32MB x 36

(1) 32MB x 64

(1) 16MB x 64

768MB

(1) 32MB x 36

(1) 32MB x 64

(1) 32MB x 64

1024MB

(1) 64MB x 64

(1) 64MB x 64

None

Note: Board supports 1GB using EDO DRAM, and 512MB using SDRAM. It is not recommended that you combine EDO and SDRAM.

CPU SPEED SELECTION

CPU Speed

Clock Speed

Multiplier

SW1/1

SW1/2

SW1/3

SW1/4

SW1/5

SW1/6

233MHz

66MHz

3.5x

On

Off

Off

On

Off

Off

266MHz

66MHz

4x

Off

On

On

On

Off

Off

300MHz

66MHz

4.5x

Off

On

Off

On

Off

Off

333MHz

66MHz

5x

Off

Off

On

On

Off

Off