SHUTTLE COMPUTER INTERNATIONAL, INC.
HOT-595
|
Device Type |
Mainboard |
|
Processor |
CX 6X86/IBM 6X86/CX 6X86L/IBM 6X86L/CX 686MX/IBM 6X86MX/ AM K5/AM K6/Pentium/Pentium MMX |
|
Processor Speed |
75/90/100/120/133/150/166/200/233/266MHz |
|
Chip Set |
VIA VP3 |
|
Maximum Onboard Memory |
384MB (EDO & SDRAM supported) |
|
Cache |
512/1024KB |
|
BIOS |
Unidentified |
|
Dimensions |
305mm x 210mm |
|
I/O Options |
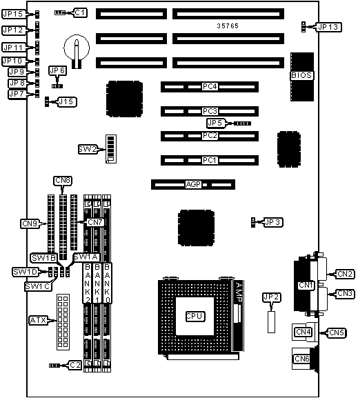
32-bit PCI slots (4), floppy drive interface, green PC connector, IDE interfaces (2), parallel port, PS/2 mouse port, serial ports (2), IR connector, USB connectors (2), ATX power connector, AGP slot, wake on LAN connector |
|
CONNECTIONS | |||
|
Purpose |
Location |
Purpose |
Location |
|
AGP slot |
AGP |
IDE interface 1 |
CN9 |
|
ATX power connector |
ATX |
Wake on LAN connector |
J15 |
|
Chassis fan power |
C1 |
EISCA connector |
JP2 |
|
CPU fan power |
C2 |
IR connector |
JP5 |
|
Parallel port |
CN1 |
Soft off power supply |
JP7 |
|
Serial port 2 |
CN2 |
IDE interface LED |
JP8 |
|
Serial port 1 |
CN3 |
Green PC LED |
JP9 |
|
USB connector 1 |
CN4 |
Green PC connector |
JP10 |
|
USB connector 2 |
CN5 |
Speaker |
JP11 |
|
PS/2 mouse port |
CN6 |
Power LED & keylock |
JP12 |
|
Floppy drive interface |
CN7 |
Reset switch |
JP15 |
|
IDE interface 2 |
CN8 |
32-bit PCI slots |
PC1 – PC4 |
|
USER CONFIGURABLE SETTINGS | |||
|
Function |
Label |
Position | |
|
CPU burst mode select interleave |
JP3 |
Pins 1 & 2 closed | |
|
CPU burst mode select linear |
JP3 |
Pins 2 & 3 closed | |
|
» |
CMOS memory normal operation |
JP6 |
Pins 1 & 2 closed |
|
CMOS memory clear |
JP6 |
Pins 2 & 3 closed | |
|
Flash BIOS voltage select 12v |
JP13 |
Pins 2 & 3 closed | |
|
Flash BIOS voltage select 5v |
JP13 |
Pins 1 & 2 closed | |
|
DIMM CONFIGURATION | |||
|
Size |
Bank 0 |
Bank 1 |
Bank 2 |
|
8MB |
(1) 1M x 64 |
None |
None |
|
16MB |
(1) 2M x 64 |
None |
None |
|
16MB |
(1) 1M x 64 |
(1) 1M x 64 |
None |
|
24MB |
(1) 2M x 64 |
(1) 1M x 64 |
None |
|
24MB |
(1) 1M x 64 |
(1) 1M x 64 |
(1) 1M x 64 |
|
32MB |
(1) 4M x 64 |
None |
None |
|
32MB |
(1) 2M x 64 |
(1) 1M x 64 |
(1) 1M x 64 |
|
32MB |
(1) 2M x 64 |
(1) 2M x 64 |
None |
|
40MB |
(1) 4M x 64 |
(1) 1M x 64 |
None |
|
40MB |
(1) 2M x 64 |
(1) 2M x 64 |
(1) 1M x 64 |
|
DIMM CONFIGURATION (CON’T) | |||
|
Size |
Bank 0 |
Bank 1 |
Bank 2 |
|
48MB |
(1) 4M x 64 |
(1) 1M x 64 |
(1) 1M x 64 |
|
48MB |
(1) 4M x 64 |
(1) 2M x 64 |
None |
|
48MB |
(1) 2M x 64 |
(1) 2M x 64 |
(1) 2M x 64 |
|
56MB |
(1) 4M x 64 |
(1) 2M x 64 |
(1) 1M x 64 |
|
64MB |
(1) 8M x 64 |
None |
None |
|
64MB |
(1) 4M x 64 |
(1) 2M x 64 |
(1) 2M x 64 |
|
64MB |
(1) 4M x 64 |
(1) 4M x 64 |
None |
|
72MB |
(1) 8M x 64 |
(1) 1M x 64 |
None |
|
72MB |
(1) 4M x 64 |
(1) 4M x 64 |
(1) 1M x 64 |
|
80MB |
(1) 8M x 64 |
(1) 1M x 64 |
(1) 1M x 64 |
|
80MB |
(1) 8M x 64 |
(1) 2M x 64 |
None |
|
80MB |
(1) 4M x 64 |
(1) 4M x 64 |
(1) 2M x 64 |
|
88MB |
(1) 8M x 64 |
(1) 2M x 64 |
(1) 1M x 64 |
|
96MB |
(1) 8M x 64 |
(1) 2M x 64 |
(1) 2M x 64 |
|
96MB |
(1) 4M x 64 |
(1) 4M x 64 |
(1) 4M x 64 |
|
104MB |
(1) 8M x 64 |
(1) 4M x 64 |
(1) 1M x 64 |
|
112MB |
(1) 8M x 64 |
(1) 4M x 64 |
(1) 2M x 64 |
|
128MB |
(1) 16M x 64 |
None |
None |
|
128MB |
(1) 8M x 64 |
(1) 4M x 64 |
(1) 4M x 64 |
|
128MB |
(1) 8M x 64 |
(1) 8M x 64 |
None |
|
136MB |
(1) 16M x 64 |
(1) 1M x 64 |
None |
|
144MB |
(1) 16M x 64 |
(1) 1M x 64 |
(1) 1M x 64 |
|
144MB |
(1) 16M x 64 |
(1) 2M x 64 |
None |
|
152MB |
(1) 16M x 64 |
(1) 2M x 64 |
(1) 1M x 64 |
|
160MB |
(1) 16M x 64 |
(1) 2M x 64 |
(1) 2M x 64 |
|
160MB |
(1) 16M x 64 |
(1) 4M x 64 |
None |
|
176MB |
(1) 16M x 64 |
(1) 4M x 64 |
(1) 2M x 64 |
|
192MB |
(1) 16M x 64 |
(1) 4M x 64 |
(1) 4M x 64 |
|
192MB |
(1) 16M x 64 |
(1) 8M x 64 |
None |
|
192MB |
(1) 8M x 64 |
(1) 8M x 64 |
(1) 8M x 64 |
|
200MB |
(1) 16M x 64 |
(1) 8M x 64 |
(1) 1M x 64 |
|
208MB |
(1) 16M x 64 |
(1) 8M x 64 |
(1) 2M x 64 |
|
224MB |
(1) 16M x 64 |
(1) 8M x 64 |
(1) 4M x 64 |
|
256MB |
(1) 16M x 64 |
(1) 8M x 64 |
(1) 8M x 64 |
|
384MB |
(1) 16M x 64 |
(1) 16M x 64 |
(1) 16M x 64 |
|
Note: Board accepts EDO & SDRAM memory. | |||
|
CACHE CONFIGURATION |
|
Note: The location of the cache is unidentified. |
|
CPU SPEED SELECTION (CX 6X86) | ||||||||
|
CPU speed |
Clock speed |
Multiplier |
SW2/1 |
SW2/2 |
SW2/3 |
SW2/4 |
SW2/5 |
SW2/6 |
|
120MHz |
50MHz |
2x |
On |
On |
On |
On |
Off |
Off |
|
150MHz |
60MHz |
2x |
On |
Off |
Off |
On |
Off |
Off |
|
166MHz |
66MHz |
2x |
Off |
Off |
Off |
On |
Off |
Off |
|
CPU SPEED SELECTION (IBM 6X86) | ||||||||
|
CPU speed |
Clock speed |
Multiplier |
SW2/1 |
SW2/2 |
SW2/3 |
SW2/4 |
SW2/5 |
SW2/6 |
|
120MHz |
50MHz |
2x |
On |
On |
On |
On |
Off |
Off |
|
150MHz |
60MHz |
2x |
On |
Off |
Off |
On |
Off |
Off |
|
166MHz |
66MHz |
2x |
Off |
Off |
Off |
On |
Off |
Off |
|
CPU SPEED SELECTION (CX 6X86L) | ||||||||
|
CPU speed |
Clock speed |
Multiplier |
SW2/1 |
SW2/2 |
SW2/3 |
SW2/4 |
SW2/5 |
SW2/6 |
|
150MHz |
60MHz |
2x |
On |
Off |
Off |
On |
Off |
Off |
|
166MHz |
66MHz |
2x |
Off |
Off |
Off |
On |
Off |
Off |
|
CPU SPEED SELECTION (IBM 6X86L) | ||||||||
|
CPU speed |
Clock speed |
Multiplier |
SW2/1 |
SW2/2 |
SW2/3 |
SW2/4 |
SW2/5 |
SW2/6 |
|
150MHz |
60MHz |
2x |
On |
Off |
Off |
On |
Off |
Off |
|
166MHz |
66MHz |
2x |
Off |
Off |
Off |
On |
Off |
Off |
|
CPU SPEED SELECTION (CX 6X86MX) | ||||||||
|
CPU speed |
Clock speed |
Multiplier |
SW2/1 |
SW2/2 |
SW2/3 |
SW2/4 |
SW2/5 |
SW2/6 |
|
166MHz |
60MHz |
2.5x |
On |
Off |
Off |
On |
On |
Off |
|
200MHz |
66MHz |
2.5x |
Off |
Off |
Off |
On |
On |
Off |
|
233MHz |
66MHz |
3x |
Off |
Off |
Off |
Off |
On |
Off |
|
266MHz |
66MHz |
3.5x |
Off |
Off |
Off |
Off |
Off |
Off |
|
CPU SPEED SELECTION (IBM 6X86MX) | ||||||||
|
CPU speed |
Clock speed |
Multiplier |
SW2/1 |
SW2/2 |
SW2/3 |
SW2/4 |
SW2/5 |
SW2/6 |
|
166MHz |
60MHz |
2.5x |
On |
Off |
Off |
On |
On |
Off |
|
200MHz |
66MHz |
2.5x |
Off |
Off |
Off |
On |
On |
Off |
|
233MHz |
66MHz |
3x |
Off |
Off |
Off |
Off |
On |
Off |
|
266MHz |
66MHz |
3.5x |
Off |
Off |
Off |
Off |
Off |
Off |
|
CPU SPEED SELECTION (IDT C6) | ||||||||
|
CPU speed |
Clock speed |
Multiplier |
SW2/1 |
SW2/2 |
SW2/3 |
SW2/4 |
SW2/5 |
SW2/6 |
|
150MHz |
60MHz |
2.5x |
On |
Off |
Off |
On |
On |
Off |
|
180MHz |
60MHz |
3x |
On |
Off |
Off |
Off |
On |
Off |
|
200MHz |
66MHz |
3x |
Off |
Off |
Off |
Off |
On |
Off |
|
CPU SPEED SELECTION (AM K5) | ||||||||
|
CPU speed |
Clock speed |
Multiplier |
SW2/1 |
SW2/2 |
SW2/3 |
SW2/4 |
SW2/5 |
SW2/6 |
|
75MHz |
50MHz |
1.5x |
On |
On |
On |
Off |
Off |
Off |
|
90MHz |
60MHz |
1.5x |
On |
Off |
Off |
Off |
Off |
Off |
|
100MHz |
66MHz |
1.5x |
Off |
Off |
Off |
Off |
Off |
Off |
|
120MHz |
60MHz |
1.5x |
On |
Off |
Off |
Off |
Off |
Off |
|
133MHz |
66MHz |
1.5x |
Off |
Off |
Off |
Off |
Off |
Off |
|
166MHz |
66MHz |
1.75x |
Off |
Off |
Off |
On |
On |
Off |
|
CPU SPEED SELECTION (AM K6) | ||||||||
|
CPU speed |
Clock speed |
Multiplier |
SW2/1 |
SW2/2 |
SW2/3 |
SW2/4 |
SW2/5 |
SW2/6 |
|
166MHz |
66MHz |
2.5x |
Off |
Off |
Off |
On |
On |
Off |
|
200MHz |
66MHz |
3x |
Off |
Off |
Off |
Off |
On |
Off |
|
233MHz |
66MHz |
3.5x |
Off |
Off |
Off |
Off |
Off |
Off |
|
266MHz |
66MHz |
4x |
Off |
Off |
Off |
On |
Off |
On |
|
CPU SPEED SELECTION (INTEL) | ||||||||
|
CPU speed |
Clock speed |
Multiplier |
SW2/1 |
SW2/2 |
SW2/3 |
SW2/4 |
SW2/5 |
SW2/6 |
|
75MHz |
50MHz |
1.5x |
On |
On |
On |
Off |
Off |
Off |
|
90MHz |
60MHz |
1.5x |
On |
Off |
Off |
Off |
Off |
Off |
|
100MHz |
66MHz |
1.5x |
Off |
Off |
Off |
Off |
Off |
Off |
|
120MHz |
60MHz |
2x |
On |
Off |
Off |
On |
Off |
Off |
|
133MHz |
66MHz |
2x |
Off |
Off |
Off |
On |
Off |
Off |
|
150MHz |
60MHz |
2.5x |
On |
Off |
Off |
On |
On |
Off |
|
166MHz |
66MHz |
2.5x |
Off |
Off |
Off |
On |
On |
Off |
|
200MHz |
66MHz |
3x |
Off |
Off |
Off |
Off |
On |
Off |
|
CPU SPEED SELECTION (INTEL MMX) | ||||||||
|
CPU speed |
Clock speed |
Multiplier |
SW2/1 |
SW2/2 |
SW2/3 |
SW2/4 |
SW2/5 |
SW2/6 |
|
166MHz |
66MHz |
2.5x |
Off |
Off |
Off |
On |
On |
Off |
|
200MHz |
66MHz |
3x |
Off |
Off |
Off |
Off |
On |
Off |
|
233MHz |
66MHz |
3.5x |
Off |
Off |
Off |
Off |
Off |
Off |
|
CPU VOLTAGE SELECTION | ||||
|
Voltage |
SW1A |
SW1B |
SW1C |
SW1D |
|
Auto |
Pins 2 & 3 closed |
Pins 2 & 3 closed |
Pins 2 & 3 closed |
Pins 2 & 3 closed |
|
2.0v |
Open |
Open |
Open |
Open |
|
2.1v |
Pins 1 & 2 closed |
Open |
Open |
Open |
|
2.2v |
Open |
Pins 1 & 2 closed |
Open |
Open |
|
2.3v |
Pins 1 & 2 closed |
Pins 1 & 2 closed |
Open |
Open |
|
2.4v |
Open |
Open |
Pins 1 & 2 closed |
Open |
|
2.5v |
Pins 1 & 2 closed |
Open |
Pins 1 & 2 closed |
Open |
|
2.6v |
Open |
Pins 1 & 2 closed |
Pins 1 & 2 closed |
Open |
|
2.7v |
Pins 1 & 2 closed |
Pins 1 & 2 closed |
Pins 1 & 2 closed |
Open |
|
2.8v |
Open |
Open |
Open |
Pins 1 & 2 closed |
|
2.9v |
Pins 1 & 2 closed |
Open |
Open |
Pins 1 & 2 closed |
|
3.0v |
Open |
Pins 1 & 2 closed |
Open |
Pins 1 & 2 closed |
|
3.1v |
Pins 1 & 2 closed |
Pins 1 & 2 closed |
Open |
Pins 1 & 2 closed |
|
3.2v |
Open |
Open |
Pins 1 & 2 closed |
Pins 1 & 2 closed |
|
3.3v |
Pins 1 & 2 closed |
Open |
Pins 1 & 2 closed |
Pins 1 & 2 closed |
|
3.4v |
Open |
Pins 1 & 2 closed |
Pins 1 & 2 closed |
Pins 1 & 2 closed |
|
3.52v |
Pins 1 & 2 closed |
Pins 1 & 2 closed |
Pins 1 & 2 closed |
Pins 1 & 2 closed |