YOUNG MICRO SYSTEMS, INC.

VS440FX

Processor

Pentium Pro

Processor Speed

150/166/180/200MHz

Chip Set

Intel

Video Chip Set

None

Maximum Onboard Memory

256MB (EDO supported)

Maximum Video Memory

None

Cache

256/512KB (located on Pentium Pro CPU)

BIOS

Unidentified

Dimensions

305mm x 244mm

I/O Options

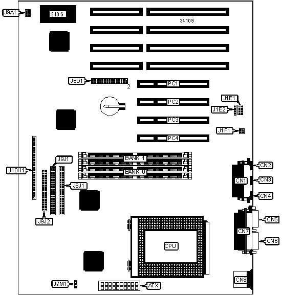
32-bit PCI slots (4), CD-ROM interface, floppy drive interface, green PC connector, IDE interfaces (2), parallel port, PS/2 mouse port, serial ports (2), IR connector, wavetable connector, telephony connector, audio out connector, microphone in connector, audio in connector, MIDI/game port, ATX power connector

NPU Options

None

CONNECTIONS

Purpose

Location

Purpose

Location

ATX power connector

ATX

IDE interface 1

J8J1

MIDI/game port

CN1

Chassis fan power

J9A1

Microphone in connector

CN2

IDE interface 2

J9J1

Audio in connector

CN3

Floppy drive interface

J9J2

Audio out connector

CN4

Front panel power switch

J10H1 pins 1 & 2

Serial port 1

CN5

Green PC connector

J10H1 pins 3 & 4

Serial port 2

CN6

IR connector

J10H1 pins 6 - 11

Parallel port

CN7

IDE interface LED

J10H1 pins 13 - 16

PS/2 mouse port

CN8

Power LED

J10H1 pins 18 - 20

Wavetable connector

J1E1

Reset switch

J10H1 pins 22 - 23

CD-ROM connector

J1E2

Speaker

J10H1 pins 24 - 27

Telephony connector

J1F1

32-bit PCI slots

PC1 - PC4

Chassis fan power

J7M1

   

USER CONFIGURABLE SETTINGS

Function

Label

Position

»

CMOS memory normal operation

J6D1

Pins 20 & 22 closed

 

CMOS memory clear

J6D1

Pins 18 & 20 closed

»

Password enabled

J6D1

Pins 27 & 29 closed

 

Password disabled

J6D1

Pins 25 & 27 closed

»

Setup access enabled

J6D1

Pins 28 & 30 closed

 

Setup access disabled

J6D1

Pins 26 & 28 closed

»

Flash BIOS normal operation

J6D1

Pins 4 & 6 closed

 

Flash BIOS recovery mode

J6D1

Pins 2 & 4 closed

DRAM CONFIGURATION

Size

Bank 0

Bank 1

8MB

(2) 1M x 36

None

16MB

(2) 2M x 36

None

16MB

(2) 1M x 36

(2) 1M x 36

24MB

(2) 2M x 36

(2) 1M x 36

32MB

(2) 4M x 36

None

32MB

(2) 2M x 36

(2) 2M x 36

40MB

(2) 1M x 36

(2) 4M x 36

48MB

(2) 4M x 36

(2) 2M x 36

64MB

(2) 8M x 36

None

64MB

(2) 4M x 36

(2) 4M x 36

72MB

(2) 8M x 36

(2) 1M x 36

80MB

(2) 8M x 36

(2) 2M x 36

96MB

(2) 8M x 36

(2) 4M x 36

128MB

(2) 16M x 36

None

128MB

(2) 8M x 36

(2) 8M x 36

136MB

(2) 16M x 36

(2) 1M x 36

DRAM CONFIGURATION (CON’T)

Size

Bank 0

Bank 1

144MB

(2) 16M x 36

(2) 2M x 36

160MB

(2) 16M x 36

(2) 4M x 36

192MB

(2) 16M x 36

(2) 8M x 36

256MB

(2) 16M x 36

(2) 16M x 36

Note: Board accepts EDO memory. Board also accepts x 32 SIMMs.

CACHE CONFIGURATION

Note: 256KB or 512KB cache is located on the Pentium Pro CPU.

CPU SPEED SELECTION

CPU speed

Clock speed

Multiplier

J6D1

150MHz

60MHz

2.5x

10 & 12, 11 & 13, 17 & 19

166MHz

66MHz

2.5x

10 & 12, 11 & 13, 19 & 21

180MHz

60MHz

3x

9 & 11, 12 & 14, 17 & 19

200MHz

66MHz

3x

9 & 11, 12 & 14, 19 & 21

Note: Pins designated should be in the closed position.