GEMLIGHT COMPUTER, LTD.

GMB-P57IAX (VER. 1.10)

Processor

CX 6X86/CX 6X86L/CX 6X86MX/AM K5/AM K6/Pentium

Processor Speed

90/100/120/133/150/166/200/233/266MHz

Chip Set

Intel

Video Chip Set

None

Maximum Onboard Memory

256MB (EDO supported)

Maximum Video Memory

None

Cache

256/512KB

BIOS

AMI

Dimensions

304mm x 210mm

I/O Options

32-bit PCI slots (4), floppy drive interface, IDE interfaces (2), parallel port, PS/2 mouse port, serial ports (2), IR connector, USB connectors (2), ATX power connector

NPU Options

None

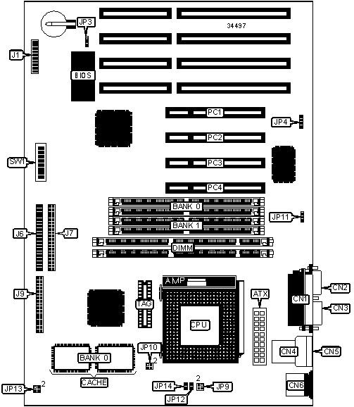
CONNECTIONS

Purpose

Location

Purpose

Location

ATX power connector

ATX

Reset switch

J1/pins 9 & 10

Parallel port

CN1

Power LED & keylock

J1/pins 11 - 15

Serial port 2

CN2

Speaker

J1/pins 17 - 20

Serial port 1

CN3

IDE interface 1

J6

USB connector 1

CN4

IDE interface 2

J7

USB connector 2

CN5

Floppy drive interface

J9

PS/2 mouse port

CN6

IR connector

JP4

IDE interface LED

J1/pins 1 & 2

32-bit PCI slots

PCI – PC4

Power button

J1/pins 5 & 6

   

USER CONFIGURABLE SETTINGS

Function

Label

Position

 

Flash BIOS voltage select 12v

JP3

Pins 1 & 2 closed

 

Flash BIOS voltage select 5v

JP3

Pins 2 & 3 closed

 

Ring in select COM1

JP11

Pins 1 & 2 closed

 

Ring in select COM2

JP11

Pins 2 & 3 closed

DRAM CONFIGURATION

Size

Bank 0

Bank 1

8MB

(2) 1M x 32

None

16MB

(2) 2M x 32

None

16MB

(2) 1M x 32

(2) 1M x 32

24MB

(2) 2M x 32

(2) 1M x 32

32MB

(2) 4M x 32

None

32MB

(2) 2M x 32

(2) 2M x 32

40MB

(2) 4M x 32

(2) 1M x 32

48MB

(2) 4M x 32

(2) 2M x 32

64MB

(2) 8M x 32

None

64MB

(2) 4M x 32

(2) 4M x 32

72MB

(2) 8M x 32

(2) 1M x 32

80MB

(2) 8M x 32

(2) 2M x 32

96MB

(2) 8M x 32

(2) 4M x 32

128MB

(2) 8M x 32

(2) 8M x 32

128MB

(2) 16M x 32

None

136MB

(2) 16M x 32

(2) 1M x 32

144MB

(2) 16M x 32

(2) 2M x 32

160MB

(2) 16M x 32

(2) 4M x 32

192MB

(2) 16M x 32

(2) 8M x 32

256MB

(2) 16M x 32

(2) 16M x 32

Note: Board accepts EDO memory.

DIMM CONFIGURATION

Size

Bank 0

Bank 1

8MB

(1) 1M x 64

None

16MB

(1) 2M x 64

None

16MB

(1) 1M x 64

(1) 1M x 64

24MB

(1) 2M x 64

(1) 1M x 64

32MB

(1) 4M x 64

None

32MB

(1) 2M x 64

(1) 2M x 64

40MB

(1) 4M x 64

(1) 1M x 64

48MB

(1) 4M x 64

(1) 2M x 64

64MB

(1) 8M x 64

None

64MB

(1) 4M x 64

(1) 4M x 64

72MB

(1) 8M x 64

(1) 1M x 64

80MB

(1) 8M x 64

(1) 2M x 64

96MB

(1) 8M x 64

(1) 4M x 64

128MB

(1) 8M x 64

(1) 8M x 64

CACHE CONFIGURATION

Size

Bank 0

TAG

256KB

(2) 32K x 32

Unidentified

512KB

(2) 64K x 32

Unidentified

CPU SPEED SELECTION (CX 6X86)

CPU speed

Clock speed

Multiplier

SW1/1

SW1/2

SW1/3

SW1/4

133MHz

55MHz

2x

Off

On

On

Off

150MHz

60MHz

2x

Off

On

On

Off

166MHz

66MHz

2x

Off

On

On

Off

CPU SPEED SELECTION (CX 6X86, CON’T)

CPU speed

Clock speed

Multiplier

SW1/5

SW1/6

SW1/7

SW1/8

133MHz

55MHz

2x

Off

On

On

Off

150MHz

60MHz

2x

Off

On

Off

Off

166MHz

66MHz

2x

Off

Off

Off

Off

CPU SPEED SELECTION (CX 6X86L/MX)

CPU speed

Clock speed

Multiplier

SW1/1

SW1/2

SW1/3

SW1/4

166MHz

66MHz

2x

Off

On

On

Off

200MHz

75MHz

2x

Off

On

On

Off

CPU SPEED SELECTION (CX 6X86L/MX, CON’T)

CPU speed

Clock speed

Multiplier

SW1/5

SW1/6

SW1/7

SW1/8

166MHz

66MHz

2x

Off

Off

Off

Off

200MHz

75MHz

2x

Off

Off

On

Off

CPU SPEED SELECTION (AM K5)

CPU speed

Clock speed

Multiplier

SW1/1

SW1/2

SW1/3

SW1/4

90MHz

60MHz

1.5x

Off

On

Off

Off

100MHz

66MHz

1.5x

Off

On

Off

Off

120MHz

60MHz

1.5x

Off

On

Off

Off

133MHz

66MHz

2x

Off

On

On

Off

150MHz

60MHz

1.5x

Off

On

Off

Off

166MHz

66MHz

2.5x

Off

On

On

On

CPU SPEED SELECTION (AM K5, CON’T)

CPU speed

Clock speed

Multiplier

SW1/5

SW1/6

SW1/7

SW1/8

90MHz

60MHz

1.5x

Off

On

Off

Off

100MHz

66MHz

1.5x

Off

Off

Off

Off

120MHz

60MHz

1.5x

Off

On

Off

Off

133MHz

66MHz

2x

Off

Off

Off

Off

150MHz

60MHz

1.5x

Off

Off

Off

Off

166MHz

66MHz

2.5x

Off

Off

Off

Off

CPU SPEED SELECTION (AM K6)

CPU speed

Clock speed

Multiplier

SW1/1

SW1/2

SW1/3

SW1/4

166MHz

66MHz

2.5x

Off

On

On

On

200MHz

66MHz

3x

Off

On

Off

On

233MHz

66MHz

3.5x

Off

On

Off

Off

CPU SPEED SELECTION (AM K6, CON’T)

CPU speed

Clock speed

Multiplier

SW1/5

SW1/6

SW1/7

SW1/8

166MHz

66MHz

2.5x

Off

Off

Off

Off

200MHz

66MHz

3x

Off

Off

Off

Off

233MHz

66MHz

3.5x

Off

Off

Off

Off

CPU SPEED SELECTION (INTEL)

CPU speed

Clock speed

Multiplier

SW1/1

SW1/2

SW1/3

SW1/4

90MHz

60MHz

1.5x

Off

On

Off

Off

100MHz

66MHz

1.5x

Off

On

Off

Off

120MHz

60MHz

2x

Off

On

On

Off

133MHz

66MHz

2x

Off

On

On

Off

150MHz

60MHz

2.5x

Off

On

On

On

166MHz

66MHz

2.5x

Off

On

On

On

200MHz

66MHz

3x

Off

On

Off

On

233MHz

66MHz

3.5x

Off

On

Off

Off

CPU SPEED SELECTION (INTEL, CON’T)

CPU speed

Clock speed

Multiplier

SW1/5

SW1/6

SW1/7

SW1/8

90MHz

60MHz

1.5x

Off

On

Off

Off

100MHz

66MHz

1.5x

Off

Off

Off

Off

120MHz

60MHz

2x

Off

On

Off

Off

133MHz

66MHz

2x

Off

Off

Off

Off

150MHz

60MHz

2.5x

Off

On

Off

Off

166MHz

66MHz

2.5x

Off

Off

Off

Off

200MHz

66MHz

3x

Off

Off

Off

Off

233MHz

66MHz

3.5x

Off

Off

Off

Off

CPU VOLTAGE SELECTION (SINGLE)

Voltage

JP9

JP10

JP12

JP13

JP14

3.3v

1 & 2

1 & 2, 3 & 4

Closed

Open

Closed

3.5v

1 & 2, 3 & 4

1 & 2, 3 & 4

Closed

Open

Closed

Note: Pins designated should be in the closed position.

CPU VOLTAGE SELECTION (DUAL)

Voltage

V core

JP9

JP10

JP12

JP13

JP14

3.3v

2.8v

Open

Open

Open

1 & 2, 3 & 4

Open

3.3v

2.9v

1 & 2

Open

Open

1 & 2, 3 & 4

Open

3.3v

3.2v

1 & 2

Open

Closed

1 & 2, 3 & 4

Closed

Note: Pins designated should be in the closed position.