CISCO SYSTEMS, INC.
FDDI DUAL ATTACHMENT SBUS ADAPTER
|
Card Type |
Network Interface Card |
|
NIC Type |
FDDI |
|
Maximum Onboard Memory |
Unidentified |
|
Boot ROM |
Unidentified |
|
Network Transfer Rate |
Unidentified |
|
Topology |
Star |
|
Wiring Type |
Fiber optic cable |
|
Data Bus |
SBus |
|
CONNECTIONS | |||
|
Function |
Label |
Function |
Label |
|
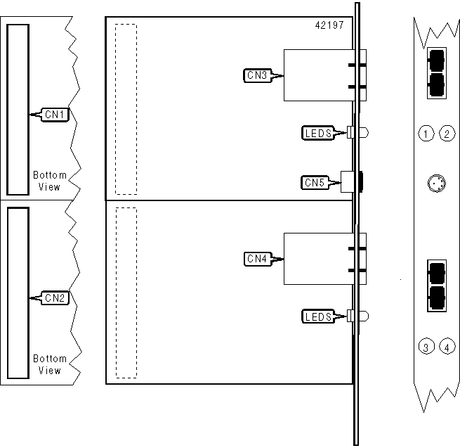
SBus interface connector |
CN1 |
Fiber optic connector |
CN4 |
|
SBus interface connector |
CN2 |
Bypass connector |
CN5 |
|
Fiber optic connector |
CN3 | ||
|
DIAGNOSTIC LED(S) | |||
|
LED |
Color |
Status |
Condition |
|
LED1 |
Unidentified |
On |
Internal diagnostics passed |
|
LED1 |
Unidentified |
Off |
Internal diagnostics failed |
|
LED2 |
Unidentified |
On |
Network connection is good |
|
LED2 |
Unidentified |
Off |
Network connection is broken |
|
LED3 |
Unidentified |
On |
Internal diagnostics passed |
|
LED3 |
Unidentified |
Off |
Internal diagnostics failed |
|
LED4 |
Unidentified |
On |
Network connection is good |
|
LED4 |
Unidentified |
Off |
Network connection is broken |