CABLETRON SYSTEMS, INC.
TPT-D4
|
Device Type |
Redundant Transceiver |
|
NIC Type |
Ethernet |
|
Maximum Onboard Memory |
Unidentified |
|
Boot ROM |
Not available |
|
Network Transfer Rate |
10Mbps |
|
Topology |
Star |
|
Wiring Type |
Unshielded twisted pair |
|
Data Bus |
External |
|
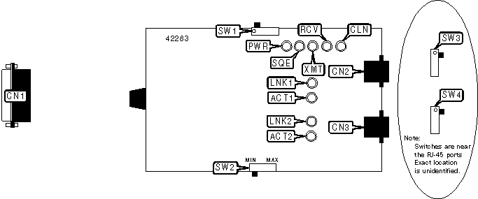
CONNECTIONS | |||
|
Function |
Label |
Function |
Label |
|
AUI transceiver via DB-15 |
CN1 |
RJ-45 UTP connector (port 2) |
CN3 |
|
RJ-45 UTP connector (port 1) |
CN2 | ||
|
USER CONFIGURABLE SETTINGS | |||
|
Function |
Label |
Position | |
| » |
SQE test function disabled |
SW1 |
Off |
|
SQE test function enabled |
SW1 |
On | |
|
Waits for data for approximately 2sec before switching to redundant port |
SW2 |
MIN | |
|
Waits for data for approximately 10sec before switching to redundant port |
SW2 |
MAX | |
|
Note: SW2 should be set to MIN when attached to a high-activity network. The MAX setting should be used with a low-activity network. | |||
|
PORT 1 PIN CONFIGURATION | |
|
Setting |
SW3 |
|
Crossover enabled |
On |
|
Straight-through enabled |
Off |
|
PORT 2 PIN CONFIGURATION | |
|
Setting |
SW4 |
|
Crossover enabled |
On |
|
Straight-through enabled |
Off |
|
DIAGNOSTIC LED(S) | |||
|
LED |
Color |
Status |
Condition |
|
PWR |
Green |
On |
Power is on |
|
PWR |
Green |
Off |
Power is off |
|
SQE |
Yellow |
On |
Signal Quality Error test function is enabled |
|
SQE |
Yellow |
Off |
Signal Quality Error test function is disabled |
|
XMT |
Green |
Blinking |
Data is being transmitted |
|
XMT |
Green |
Off |
Data is not being transmitted |
|
RCV |
Yellow |
Blinking |
Data is being received |
|
RCV |
Yellow |
Off |
Data is not being received |
|
CLN |
Red |
Blinking |
Collision detected on network |
|
CLN |
Red |
Off |
No collision detected on network |
|
LNK1 |
Green |
On |
Port 1 UTP link is good |
|
LNK1 |
Green |
Off |
Port 1 UTP link is broken |
|
ACT1 |
Yellow |
On |
Port 1 is handling network traffic |
|
ACT1 |
Yellow |
Off |
Port 1 is not handling network traffic |
|
ACT1 |
Yellow |
Blinking (slow) |
Port 1 is idle. Time out is set to 10 seconds |
|
ACT1 |
Yellow |
Blinking (fast) |
Port 1 is idle. Time out is set to 2 seconds |
|
LNK2 |
Green |
On |
Port 2 UTP link is good |
|
LNK2 |
Green |
Off |
Port 2 UTP link is broken |
|
ACT2 |
Yellow |
On |
Port 2 is handling network traffic |
|
ACT2 |
Yellow |
Off |
Port 2 is not handling network traffic |
|
ACT2 |
Yellow |
Blinking (slow) |
Port 2 is idle. Time out is set to 10 seconds |
|
ACT2 |
Yellow |
Blinking (fast) |
Port 2 is idle. Time out is set to 2 seconds |