ACEEX CORPORATION
DM-2814VH (INTERNAL)
|
Card Type |
Modem |
|
Chip Set |
Unidentified |
|
I/O Options |
Line out, line in |
|
Maximum Modem Rate |
33.6Kbps |
|
Maximum Fax Rate |
14.4Kbps |
|
Data Modulation Protocol |
Bell 103/212A ITU-T V.21, V.22, V.22bis, V.23, V.32, V.32bis, V.34, V.34+ |
|
Fax Modulation Protocol |
ITU-T V.17, V.21 CH2, V.27ter, V.29 |
|
Error Correction/Compression |
MNP5, V.42, V.42bis |
|
Fax Class |
Unidentified |
|
Data Bus |
8-bit ISA |

|
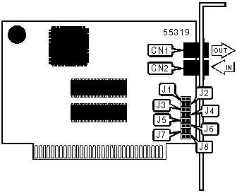
CONNECTIONS | ||||||
|
Function |
Label |
Function |
Label | |||
|
Line out (RJ-11) |
CN1 |
Line in (RJ-11) |
CN2 | |||
|
SERIAL PORT ADDRESS | ||||
|
Setting |
J1 |
J2 |
J3 |
J4 |
|
í COM1 (3F8h) |
Closed |
Closed |
Open |
Open |
|
COM2 (2F8h) |
Closed |
Open |
Open |
Closed |
|
COM3 (3E8h) |
Open |
Closed |
Closed |
Open |
|
COM4 (2E8h) |
Open |
Open |
Closed |
Closed |
|
INTERRUPT SELECTION | ||||
|
IRQ |
J5 |
J6 |
J7 |
J8 |
|
2 |
Closed |
Open |
Open |
Open |
|
í 3 |
Open |
Closed |
Open |
Open |
|
4 |
Open |
Open |
Closed |
Open |
|
5 |
Open |
Open |
Open |
Closed |
|
SUPPORTED COMMAND SET |
|
Basic AT Commands |
|
AT, ‘+++’, A/ |
|
A, C, E, H, M, O, Q, V, X, Y, Z |
|
&C, &G, &L, &M, &R, &T, &V, &W, &X, &Y, &Z |
|
Extended AT Commands |
|
%A |
|
\A, \B,\G, \J, \V, \X |
|
S Registers |
|
S0, S1, S2, S3, S4, S5, S6, S7, S8, S9,S10, S11, S12, S14, S16, S18, S21, S22, S23, S25 |
|
S26, S27, S28, S40, S41, S95 |
|
Note: See MHI Help File for full command documentation. |
PROPRIETARY AT COMMAND SET
|
COMMUNICATION PROTOCOLS | |
|
Type: |
Configuration |
|
Format: |
AT [cmds] Bn [cmds] |
|
Description: |
Selects the communication protocol for data calls |
Note: The B command allows the simultaneous selection of more than one suffix, enabling multiple protocols. | |
|
Command |
Protocol |
|
í B0 |
ITU-T V.34bis, V.32ter, V.32bis, V.32, V.22bis, V.22, V.21 |
|
B1 |
Bell 212A/103 |
|
B2 |
ITU-T V.23 at 1200Kbps |
|
COMMUNICATIONS MODE | |
|
Type: |
Configuration |
|
Format: |
AT [cmds] &Qn [cmds] |
|
Description: |
Selects communications mode options |
|
Command |
Mode |
|
&Q0 |
Asynchronous mode, serial port speed follows connect speed. |
|
&Q1 |
Asynchronous off-line command mode and synchronous connect mode. |
|
&Q2 |
Asynchronous off-line command mode - modem autodials first number in directory, then synchronous connect mode. |
|
&Q3 |
Asynchronous off-line command mode on low DTR, synchronous connect mode on high DTR. |
|
í &Q5 |
Error correction mode |
|
DATA SET READY (DSR) | |
|
Type: |
Configuration |
|
Format: |
AT [cmds] &Sn [cmds] |
|
Description: |
Selects DSR options |
|
Command |
Function |
|
&S0 |
DSR forced high |
|
&S1 |
DSR high only while modem is handshaking or connected |
|
DATA TERMINAL READY (DTR) | |
|
Type: |
Configuration |
|
Format: |
AT [cmds] &Dn [cmds] |
|
Description: |
Selects modem response to DTR |
|
Command |
Function |
|
&D0 |
DTR ignored |
|
&D1 |
DTR toggle causes online command mode |
|
í &D2 |
DTR toggle causes modem to go on-hook |
|
&D3 |
Modem reset on DTR toggle |
|
DCE LINE SPEED | |
|
Type: |
Configuration |
|
Format |
AT [cmds] &N [cmds] |
|
Description: |
Sets the maximum allowable data exchange rate attempted during handshake process. |
|
Command |
Function |
|
&N0 |
Attempt to connect at speed of last AT command |
|
&N1 |
300bps |
|
&N2 |
1200bps |
|
&N3 |
2400bps |
|
&N4 |
4800bps |
|
&N5 |
7200bps |
|
&N6 |
9600bps |
|
&N7 |
12.0Kbps |
|
&N8 |
14.4Kbps |
|
&N9 |
16.8Kbps |
|
&N10 |
19.2Kbps |
|
&N11 |
21.6Kbps |
|
&N12 |
24.0Kbps |
|
&N13 |
26.4Kbps |
|
&N14 |
28.8Kbps |
|
&N15 |
31.2Kbps |
|
&N16 |
33.6Kbps |
|
DIAL | |
|
Type: |
Immediate |
|
Format: |
AT [cmds] D<#> [cmds] |
|
Description: |
Dials telephone number according to any modifiers included in the string |
|
Note: |
Any combination of modifiers can be used to produce the desired dial functions in sequence. |
|
Command |
Function |
|
DP |
Pulse dialing enabled |
|
DR |
Answer mode enabled; originate mode disabled following handshake initiation. |
|
DS=n |
Dial stored telephone number n |
|
DT |
Tone dialing enabled/Pulse dialing disabled |
|
DW |
Dialing resumed following dial tone detection |
|
D, |
Dialing paused for amount of time specified in S8 register |
|
D! |
Flash function initiated. Modem commanded to go off-hook for specified time before returning on-hook. |
|
D@ |
Wait for Quite Answer function enabled. Modem waits until a "quiet answer," a ring-back signal followed by silence up to the time specified in S7, is received prior to executing the rest of the dial string. |
|
D; |
Modem returned to idle state after dialing. The semicolon can only be placed at the end of the dial command. |
|
EXTENDED RESULT CODES | |
|
Type: |
Configuration |
|
Format: |
AT [cmds] Wn [cmds] |
|
Description: |
Enables selection of additional result codes |
|
Command |
Function |
|
í W0 |
Disables V.42 extended responses |
|
W1 |
Enables V.42 extended responses |
|
FACTORY DEFAULT PROFILE | |
|
Type: |
Configuration |
|
Format: |
AT [cmds] &F [cmds] |
|
Description: |
Sets values in active profile to values found in the default profile |
|
Command |
Function |
|
&F0 |
Load factory settings with V.42 error correction |
|
&F1 |
Load factory settings with MNP5 error correction |
|
FLOW CONTROL | |
|
Type: |
Configuration |
|
Format: |
AT [cmds] &Kn [cmds] |
|
Description: |
Enables flow control options |
|
Command |
Function |
|
&K0 |
Flow control disabled |
|
&K1 |
RTS to CTS flow control enabled |
|
&K2 |
XON/XOFF flow control enabled |
|
í &K3 |
RTS/CTS flow control enabled |
|
&K4 |
XON/XOFF flow control enabled |
|
&K5 |
Transparent XON/XOFF flow control enabled |
|
PULSE DIALING RATIO | |
|
Type: |
Configuration |
|
Format: |
AT [cmds] &Pn [cmds] |
|
Description: |
Selects pulse dial make/break ratio |
|
Command |
Function |
|
&P0 |
39/61ms at 10pps (North America) |
|
í &P1 |
33/67ms at 10pps (Europe) |
|
&P2 |
33/67ms at 20pps (Japan) |
|
&P3 |
33/67ms at 10pps; nine-pulse mean digit 1 (New Zealand) |
|
&P4 |
33/67ms at 10pps; two-pulse mean digit 1 (Sweden) |
|
REPORT INFORMATION | |
|
Type: |
Immediate |
|
Format: |
AT [cmds] In [cmds] |
|
Description: |
Displays information requested |
|
Command |
Function |
|
I0 |
Reports product ID code |
|
I1 |
Reports ROM checksum |
|
I2 |
Tests and reports ROM checksum |
|
I6 |
Reports firmware version ID code |
|
SPEAKER VOLUME | |
|
Type: |
Configuration |
|
Format: |
AT [cmds] Ln [cmds] |
|
Description: |
Controls speaker volume |
|
Command |
Function |
|
L0 |
Low volume setting |
|
L1 |
Low volume setting |
|
í L2 |
Medium volume setting |
|
L3 |
Highest volume setting |
EXTENDED AT COMMAND SET
|
COMPRESSION | |
|
Type: |
Configuration |
|
Format: |
AT [cmds] %Cn [cmds] |
|
Description: |
Selects data compression |
|
Command |
Function |
|
í %C0 |
Data compression disabled |
|
%C1 |
MNP5 enabled |
|
CONNECT MODE | |
|
Type: |
Configuration |
|
Format: |
AT [cmds] \Nn [cmds] |
|
Description: |
Controls the type of connection the modem will operate in |
|
Command |
Function |
|
\N0 |
Normal mode enabled |
|
í \N1 |
Direct mode enabled |
|
\N2 |
Reliable mode enabled |
|
\N3 |
Auto-reliable mode enabled |
|
FLOW CONTROL TYPE | |
|
Type: |
Configuration |
|
Format: |
AT [cmds] \Qn [cmds] |
|
Description: |
Sets type of flow control used by modem |
|
Command |
Function |
|
\Q0 |
Flow control disabled |
|
\Q1 |
Bi-directional XON/XOFF flow control enabled |
|
í \Q2 |
CTS flow control by DCE enabled |
|
\Q3 |
Bi-directional RTS/CTS flow control enabled |
|
INACTIVITY TIMER | |
|
Type: |
Configuration |
|
Format: |
AT [cmds] \Tn [cmds] |
|
Range: |
0-90 |
|
Default: |
0 |
|
Unit: |
1 second |
|
Description: |
Sets the length of time that the modem does not receive information before it disconnects. |
|
POWER-UP CALLING | |
|
Type: |
Configuration |
|
Format: |
AT [cmds] %Pn [cmds] |
|
Description: |
Enables/disables power-up leased line and telephon number calling function |
|
Command |
Function |
|
í %P0 |
Power-up leased line and telephone number calling function disabled |
|
%P1 |
Power-up leased line and telephone number calling function enabled |
S(status) -REGISTERS
|
AUTO-RELIABLE FALLBACK CHARACTER | |
|
Type: |
Register |
|
Format: |
AT [cmds] S37=n [cmds] |
|
Range: |
0-127 |
|
Unit: |
ASCII |
|
Description: |
Sets the character used as the auto-reliable fallback character; S37=0 will disable this function. |
|
BREAK OPTIONS | ||
|
Type: |
Register | |
|
Format |
AT [cmds] S82=n [cmds] | |
|
Description: |
Sets the method for break transmission during error-control and ASB connections. | |
|
Command |
Function | |
|
S82=3 |
Expedited signaling, immediately send timed break | |
|
S82=7 |
Destructive signaling, buffers cleared, immediately send timed break | |
|
S82=128 |
In-sequence signaling, timed break sent in sequence with transmitted data | |
|
BIT-MAPPED REGISTER S38 | |
|
Format |
AT [cmds] S38=n [cmds] |
|
Unit: |
Bit-mapped |
|
Description: |
For MNP operation. Further information is unavailable |
|
ERROR CORRECTION NEGOTIATION | |
|
Type: |
Register |
|
Format |
AT [cmds] S36=n [cmds] |
|
Description: |
Selects the action of the modem if it fails to connect with the error-correction protocol set in &Q. |
|
Command |
Function |
|
S36=0 |
Hang up |
|
S36=1 |
Attempt a connection at MNP2-5; if that fails, attempt a direct connection. |
|
S36=3 |
Attempt a buffered connection |
|
S36=4 |
Attempt a connection at MNP2-5; if that fails, hang up. |
|
S36=5 |
Attempt a connection at MNP2-5; if that fails, attempt a direct connection. |
|
S36=7 |
Attempt a connection at MNP2-5; if that fails, attempt a buffered connection. |
|
ERROR CORRECTION/COMPRESSION | |||
|
Type: |
Register | ||
|
Format: |
AT [cmds] S46=n [cmds] | ||
|
Description: |
Selects active error correction and compression protocols | ||
|
Command |
Function | ||
|
S46=136 |
LAP-M only, no compression | ||
|
S46=138 |
LAP-M with V.42bis data compression | ||
|
FEATURE NEGOTIATION OPTIONS | |||
|
Type: |
Register | ||
|
Format: |
AT [cmds] S48=n [cmds] | ||
|
Description: |
Selects active error correction and compression protocols | ||
|
Command |
Function | ||
|
S48=0 |
Detection negotiation disabled, XID negotiation disabled | ||
|
S48=3 |
Detection negotiation and XID negotiation enabled | ||
|
S48=7 |
Detection negotiation and XID negotiation enabled | ||
|
S48=128 |
Fall-back to options set in S36 | ||
|
INACTIVITY TIMER | |
|
Type: |
Register |
|
Format: |
AT [cmds] S39=n [cmds] |
|
Range: |
0-255 |
|
Unit: |
1 second |
|
Description: |
Sets the length of time that the modem does not receive information before it disconnects; S39=0 will disable. |