CREATIX POLYMEDIA
SIERRA VOICE 28.8 (EXTERNAL)
|
Card Type |
Fax, Modem (synchronous/asynchronous), Voice |
|
Chip Set |
Sierra |
|
I/O Options |
Voice |
|
Maximum Data Rate |
28.8Kbps |
|
Maximum Fax Rate |
14.4Kbps |
|
Data Bus |
External |
|
Fax Class |
Class I & II |
|
Data Modulation Protocol |
Bell 103A/212A ITU-T V.21, V.22, V.22bis, V.32, V.32bis, V.34 |
|
Fax Modulation Protocol |
ITU-T V.17, V.21CH2, V.27ter, V.29 |
|
Error Correction/Compression |
MNP5, V.42, V.42bis |

|
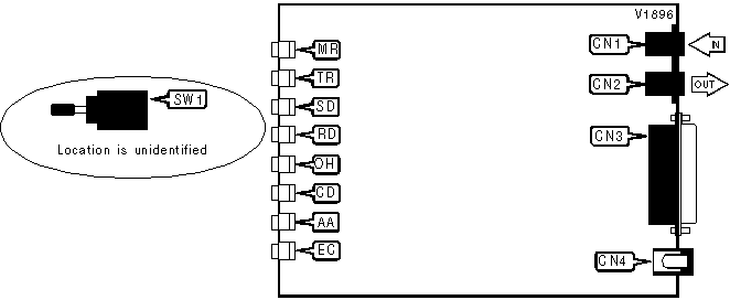
CONNECTIONS | ||||||
|
Function |
Label |
Function |
Label | |||
|
Line in |
CN1 |
DC power |
CN4 | |||
|
Line out |
CN2 |
Power switch |
SW1 | |||
|
RS-232/422 |
CN3 | |||||
|
DIAGNOSTIC LED(S) | |||
|
LED |
Color |
Status |
Condition |
|
MR |
Red |
On |
Power is on |
|
MR |
Red |
Off |
Power is off |
|
TR |
Red |
On |
DTR signal is high |
|
TR |
Red |
Off |
DTR signal is low |
|
SD |
Red |
On |
Modem is transmitting data |
|
SD |
Red |
Off |
Modem is not transmitting data |
|
RD |
Red |
On |
Modem is receiving data |
|
RD |
Red |
Off |
Modem is not receiving data |
|
OH |
Red |
On |
Modem is off-hook |
|
OH |
Red |
Off |
Modem is on-hook |
|
CD |
Red |
On |
Carrier signal detected |
|
CD |
Red |
Off |
Carrier signal not detected |
|
AA |
Red |
On |
Auto-answer enabled |
|
AA |
Red |
Off |
Auto-answer disabled |
|
EC |
Red |
On |
Error correction in progress |
|
EC |
Red |
Off |
Error correction not in progress |
Proprietary AT Command Set
|
AUTO-RELIABLE FALLBACK CHARACTER | |
|
Type: |
Configuration |
|
Format: |
AT [cmds] %An [cmds] |
|
Default: |
Unidentified |
|
Range: |
0-127 |
|
Unit: |
ASCII |
|
Description: |
Sets the character used as the auto-reliable fallback character. %A0 will disable this function. |
|
AUTO-RELIABLE TIME BUFFER CONFIGURATION | |
|
Type: |
Configuration |
|
Format: |
AT [cmds] \Cn [cmds] |
|
Description: |
Controls the handling of incoming data during auto-reliable time period |
|
Command |
Function |
|
\CO |
Data is discarded |
|
\C1 |
Data is buffered |
|
í \C2 |
Data is discarded, sets to normal mode when auto-reliable character detected. |
|
AUTO-RETRAIN | |
|
Type: |
Configuration |
|
Format: |
AT [cmds] %Qn [cmds] |
|
Description: |
Selects auto-retrain mode |
|
Command |
Function |
|
%Q0 |
Auto-retrain disabled |
|
%Q1 |
Auto-retrain three times |
|
%Q2 |
Auto-retrain until line quality is good |
|
COMPRESSION | |
|
Type: |
Configuration |
|
Format: |
AT [cmds] %Cn [cmds] |
|
Description: |
Selects data compression |
|
Command |
Function |
|
%C0 |
Data compression disabled |
|
%C1 |
MNP5 and V.42bis enabled |
|
CONNECT MODE | |
|
Type: |
Configuration |
|
Format: |
AT [cmds] \Nn [cmds] |
|
Description: |
Sets connect mode |
|
Command |
Function |
|
\N0 |
Normal mode enabled |
|
\N1 |
Direct mode enabled |
|
\N2 |
MNP mode enabled |
|
í \N3 |
V.42/MNP/Normal mode enabled |
|
\N4 |
V.42 mode enabled |
|
\N5 |
V.42/MNP mode enabled |
|
DSR SIGNAL - ANALOG LOOPBACK TEST | |
|
Type: |
Configuration |
|
Format: |
AT [cmds] %Dn [cmds] |
|
Description: |
Selects the function of the DSR signal during analog loopback tests |
|
Command |
Function |
|
%D0 |
DSR forced high |
|
í %D1 |
DSR forced low |
|
DTE SPEED | |
|
Type: |
Configuration |
|
Format: |
AT [cmds] \Tn [cmds] |
|
Description: |
Selects the current DTE speed |
|
Command |
Function |
|
\T0 |
Select DTE autobaud |
|
\T1 |
Select last AT speed |
|
\T2 |
Select 300bps speed |
|
\T3 |
Select 1200bps speed |
|
\T4 |
Select 2400bps speed |
|
\T5 |
Select 4800bps speed |
|
\T6 |
Select 7200bps speed |
|
\T7 |
Select 9600bps speed |
|
\T8 |
Select 12Kbps speed |
|
\T9 |
Select 14.4Kbps speed |
|
\T10 |
Select 16.8Kbps speed |
|
\T11 |
Select 19.2Kbps speed |
|
\T12 |
Select 21.6Kbps speed |
|
\T13 |
Select 24Kbps speed |
|
\T14 |
Select 26.4Kbps speed |
|
\T15 |
Select 28.8Kbps speed |
|
\T16 |
Select 38.4Kbps speed |
|
\T17 |
Select 57.6Kbps speed |
|
\T18 |
Select 76.8Kbps speed |
|
\T19 |
Select 115.2Kbps speed |
|
\T20 |
Select 128Kbps speed |
|
EXTENDED RESULT CODES | |
|
Type: |
Configuration |
|
Format: |
AT [cmds] \Vn [cmds] |
|
Description: |
Selects extended result codes |
|
Command |
Function |
|
\V0 |
Extended result codes disabled |
|
\V1 |
Extended result codes with DTE speed enabled |
|
\V2 |
Extended result codes with DTE speed enabled |
|
í \V3 |
Extended result codes disabled and S/DCE speed enabled |
|
FLOW CONTROL | |
|
Type: |
Configuration |
|
Format: |
AT [cmds] \Gn [cmds] |
|
Description: |
Selects modem port flow control |
|
Command |
Function |
|
í \G0 |
Flow control disabled |
|
\G1 |
Flow control enabled |
|
FLOW CONTROL TYPE | |
|
Type: |
Configuration |
|
Format: |
AT [cmds] \Qn [cmds] |
|
Description: |
Sets type of flow control used by modem |
|
Command |
Function |
|
\Q0 |
Flow control disabled |
|
\Q1 |
Bidirectional XON/XOFF flow control enabled |
|
í \Q2 |
CTS flow control to DTE enabled |
|
\Q3 |
RTS/CTS flow control enabled |
|
\Q4 |
Unidirectional XON/XOFF flow control enabled |
|
PROTOCOL/SPEED | |
|
Type: |
Configuration |
|
Format: |
AT [cmds] &Hn [cmds] |
|
Description: |
Selects the current protocol |
|
Command |
Function |
|
&H0 |
Selects V.34 and below |
|
&H1 |
Selects V.34 only |
|
&H2 |
Selects V.32bis and below |
|
&H3 |
Selects V.32bis only |
|
&H4 |
Selects V.32 and below |
|
&H5 |
Selects V.32 only |
|
&H6 |
Selects V.22bis only |
|
&H7 |
Selects V.22 only |
|
&H8 |
Select Bell 212A only |
|
&H9 |
Selects Bell 103 only |
|
&H10 |
Selects V.21 only |