E-TECH RESEARCH, INC.

UFOMATE P1496MX (REV. 4)

Card Type

Modem(asynchronous)

Chip Set

Unidentified

Maximum Data Rate

14.4Kbps

Maximum Fax Rate

9600bps

Data Bus

External

Fax Class

Class I & II

Data Modulation Protocol

Bell 103A/212A

ITU-T V.21, V.22, V.22bis, V.23, V.32, V.32bis

Fax Modulation Protocol

ITU-T V.21CH2, V.27ter, V.29

Error Correction/Compression

MNP5, V.42, V.42bis

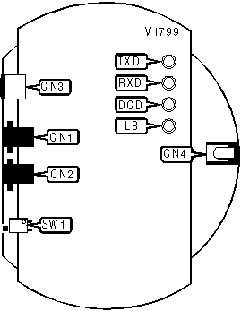
CONNECTIONS

Function

Label

Function

Label

Line in

CN1

Power in

CN4

Line out

CN2

Power switch

SW1

RS-232/422

CN3

   

DIAGNOSTIC LED(S)

LED

Color

Status

Condition

TXD

Red

On

Modem is transmitting data

TXD

Red

Off

Modem is not transmitting data

RXD

Red

On

Modem is receiving data

RXD

Red

Off

Modem is not receiving data

DCD

Red

On

Carrier signal detected

DCD

Red

Off

Carrier signal not detected

LB

Red

On

Battery is low (ten minutes power remaining)

LB

Red

Off

Normal operation

Proprietary AT Command Set

See document V1798 for a full command summary.