ELSA, INC.
MICROLINK 33.6TS
|
Card Type |
Modem (asynchronous) | |
|
Chipset |
Unidentified | |
|
I/O Options |
Voice | |
|
Maximum Data Rate |
28.8Kbps | |
|
Maximum Fax Rate |
14.4Kbps | |
|
Data Modulation |
Bell 103A, 212A ITU-T V.21, V.22bis, V.23, V.32, V.32bis, V.34 Rockwell V.FC | |
|
Fax Modulation |
ITU-T V.17, V.27ter, V.29, V.33 | |
|
Error Correction/Compression |
MNP5, V.42, V.42bis | |
|
Fax Class |
Class I & II | |
|
Data Bus |
Serial | |

|
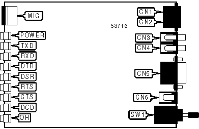
CONNECTIONS | |||
|
Function |
Label |
Function |
Label |
|
Telephone line in |
CN1 |
Serial port |
CN5 |
|
Telephone line out |
CN2 |
DC power in |
CN6 |
|
Microphone in |
CN3 |
Power switch |
SW1 |
|
Speaker out |
CN4 | ||
|
DIAGNOSTIC LED(S) | |||
|
LED |
Color |
Status |
Condition |
|
POWER |
Red |
On |
Power is on |
|
POWER |
Red |
Off |
Power is off |
|
TXD |
Red |
On |
Modem is transmitting data |
|
TXD |
Red |
Off |
Modem is not transmitting data |
|
RXD |
Red |
On |
Modem is receiving data |
|
RXD |
Red |
Off |
Modem is not receiving data |
|
DTR |
Red |
On |
DTR signal is high |
|
DTR |
Red |
Off |
DTR signal is low |
|
DSR |
Red |
On |
DSR signal is high |
|
DSR |
Red |
Off |
DSR signal is low |
|
RTS |
Red |
On |
RTS signal is high |
|
RTS |
Red |
Off |
RTS signal is low |
|
DIAGNOSTIC LED(S) (CON'T) | |||
|
LED |
Color |
Status |
Condition |
|
CTS |
Red |
On |
CTS signal is high |
|
CTS |
Red |
Off |
CTS signal is low |
|
DCD |
Red |
On |
Carrier signal detected |
|
DCD |
Red |
Off |
Carrier signal not detected |
|
OH |
Red |
On |
Modem is off-hook |
|
OH |
Red |
Off |
Modem is on-hook |
|
SUPPORTED STANDARD COMMANDS |
|
Basic AT Commands |
|
+++, ‘comma’, A/ |
|
A, B, E, H, L, M, O, P, T, V, X, Z |
|
&D, &F, &S, &T, &V, &W, &Y, &Z |
|
Extended AT Commands |
|
\C, \J, \K, \N, \Q, \T, \X |
|
%A, %C, %E |
|
Special AT Commands |
|
-J |
|
S-Registers |
|
S0, S1, S2, S3, S4, S5, S6, S7, S8, S10, S11, S12, S16, S21, S22, S25, S30, S38 |
Note: See MHI help file for complete information. |
Proprietary AT Command Set
|
MODE SELECTION | |
|
Type: |
Immediate |
|
Format: |
AT [cmds] #CLS=n [cmds] |
|
Description: |
Selects which mode the modem will operate in. |
|
Command |
Function |
|
#CLS=0 |
Modem will operate in data mode. |
|
#CLS=1 |
Modem will operate in fax class 1 mode. |
|
#CLS=2 |
Modem will operate in fax class 2 mode. |
|
#CLS=8 |
Modem will operate in voice mode. |
|
SPEAKERPHONE OPTIONS | |||
|
Type: |
Configuration | ||
|
Format: |
AT [cmds] #SPK=x,y,z [cmds] | ||
|
Description: |
Sets various options for speakerphone functions. | ||
|
Command |
Function | ||
|
x =0 |
Microphone enabled. | ||
|
x =1 |
Microphone disabled. | ||
|
x =2 |
Microphone enabled with maximum gain, speaker disabled. | ||
|
y |
Default: |
5 | |
|
Range: |
0 - 16 | ||
|
Unit: |
-2 dBm | ||
|
Description: |
Sets the attenuation level for speaker output in voice mode. A value of 16 will mute the speaker. | ||
|
z =0 |
Microphone gain set to 0 dBm. | ||
|
z =1 |
Microphone gain set to 6 dBm. | ||
|
z =2 |
Microphone gain set to 9.5 dBm. | ||
|
z =3 |
Microphone gain set to 12 dBm. | ||
|
VOICE DEVICE | |
|
Type: |
Configuration |
|
Format: |
AT [cmds] #VLS=n [cmds] |
|
Description: |
Selects the I/O device for the DSP chip. |
|
Note: |
This modem may not support all options listed below. The #VLS? command will display the available options. |
|
Command |
Function |
|
í #VLS=0 |
Telephone line and handset used for voice I/O. |
|
#VLS=1 |
Telephone handset used for voice I/O. |
|
#VLS=2 |
Internal speaker only used for voice I/O. |
|
#VLS=3 |
External microphone only used for voice I/O. |
|
#VLS=4 |
Telephone line and handset used for voice I/O; internal speaker enabled. |
|
#VLS=5 |
Headset used for voice I/O. |
|
#VLS=6 |
Speakerphone used for voice I/O. |
|
#VLS=7 |
Handset muted by disconnecting handset or speakerphone from telephone line. |
|
#VLS=8 |
Connects caller ID relay for recording of conversation over handset. |
|
#VLS=9 |
Connects handset (or speakerphone) to DSP chip for recording or playback. |
See ELSA, INC. MICROLINK 33.6TQV for a full command summary.