PROMETHEUS PRODUCTS, INC.
PC CYBERPHONE 288EVSP (PC288EVSP)
MAC CYBERPHONE 288EVSP (M288EVSP)
|
Card Type |
Fax, Modem(synchronous/asynchronous), Voice |
|
Chip Set |
Unidentifed |
|
I/O Options |
Speakerphone, Voice-mail |
|
Maximum Data Rate |
28.8Kbps |
|
Maximum Fax Rate |
14.4Kbps |
|
Data Bus |
External |
|
Fax Class |
Class I & II |
|
Data Modulation Protocol |
Bell 103A/212A ITU-T V.21, V.22, V.22bis, V.23, V.32, V.32bis, V.34 |
|
Fax Modulation Protocol |
ITU-T V.17, V.21CH2, V.27ter, V.29, V.33 |
|
Error Correction/Compression |
MNP5, V.42, V.42bis |

|
CONNECTIONS | ||||||
|
Function |
Label |
Function |
Label | |||
|
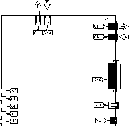
Line out |
CN1 |
RS-232/422 |
CN5 | |||
|
Line in |
CN2 |
DC power |
CN6 | |||
|
Speaker out |
CN3 |
Power switch |
SW1 | |||
|
Microphone in |
CN4 | |||||
|
DIAGNOSTIC LED(S) | |||
|
LED |
Color |
Status |
Condition |
|
AA |
Red |
On |
Auto-answer enabled |
|
AA |
Red |
Off |
Auto-answer disabled |
|
AA |
Red |
Blinking |
Phone is ringing |
|
CD |
Red |
On |
Carrier signal detected |
|
CD |
Red |
Off |
Carrier signal not detected |
|
OH |
Red |
On |
Modem is off-hook |
|
OH |
Red |
Off |
Modem is on-hook |
|
IO |
Red |
On |
Modem is transmitting or receiving data |
|
IO |
Red |
Off |
Modem is not transmitting or receiving data |
|
MR |
Red |
On |
Power is on |
|
MR |
Red |
Off |
Power is off |
Proprietary AT Command Set
See document V1859 for a full command summary.