PATTON ELECTRONICS COMPANY
2703
|
Card Type |
E1 CSU/DSU |
|
Chip Set |
Unidentified |
|
Transfer Rate |
2.048Mbps |
|
Data Bus |
External |
|
CONNECTIONS | |||
|
Function |
Label |
Function |
Label |
|
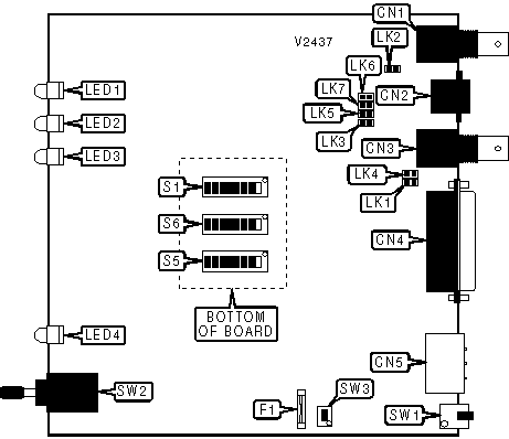
75 ohm coax line in or out |
CN1 |
120V or 230V AC power |
CN5 |
|
120 ohm shielded twisted pair |
CN2 |
Fuse for 120V: 250V @ 50mA Fuse for 230V: 250V @ 32mA |
F1 |
|
75 ohm coax line in or out |
CN3 |
Power switch |
SW1 |
|
V.35, V.36, or X.21 port via UD-26 |
CN4 |
Local analog loopback test switch |
SW2 |
|
Note:The information as to which coax connector is for transmit and which is for receive is unidentified. | |||
|
USER CONFIGURABLE SETTINGS | |||
|
Setting |
Label |
Position | |
| » |
Shield of transmit coax is not grounded |
LK1 |
Open |
|
Shield of transmit coax is grounded |
LK1 |
Closed | |
| » |
Shield of receive coax is not grounded |
LK2 |
Open |
|
Shield of receive coax is grounded |
LK2 |
Closed | |
| » |
Clock master mode disabled |
LK3 |
Open |
|
Clock master mode enabled |
LK3 |
Closed | |
| » |
Shield of twisted pair is not grounded |
LK4 |
Open |
|
Shield of twisted pair is grounded |
LK4 |
Closed | |
| » |
Auto-detect device connected to line in |
LK5 |
Closed |
|
Do not auto-detect device connected to line in |
LK5 |
Open | |
| » |
DSU is clock master |
S1/1 |
On |
|
DSU is clock slave |
S1/1 |
Off | |
|
USER CONFIGURABLE SETTINGS (CON’T) | |||
|
Setting |
Label |
Position | |
| » |
Loopback mode is enabled only by front panel switch |
S1/4 |
Off |
|
Loopback mode is enabled continually |
S1/4 |
On | |
| » |
Transmitted and received data are not inverted |
S1/5 |
Off |
|
Transmitted and received data are inverted |
S1/5 |
On | |
| » |
Power supply set for 230V operation |
SW3 |
Off |
|
Power supply set for 115V operation |
SW3 |
On | |
|
Note:Setting LK3 to Open overrides S1/1. When LK3 is closed, the DSU may still be set to Slave mode with S1/1. | |||
|
LINE TERMINATION IMPEDANCE | ||
|
Setting |
LK6 |
LK7 |
|
75 ohm |
Closed |
Closed |
|
120 ohm |
Open |
Open |
|
LINE SPEED | ||
|
Setting |
S1/2 |
S1/3 |
|
256Kbps |
On |
On |
|
512Kbps |
Off |
On |
|
1.024Mbps |
On |
Off |
|
2.048Mbps |
Off |
Off |
|
CLOCK SOURCE | ||
|
Setting |
S1/6 |
S1/7 |
|
External clock source |
On |
On |
|
Internal clock source |
Off |
Off |
|
SERIAL PORT TYPE | |||||||||
|
Setting |
S1/8 |
S5/1 |
S5/2 |
S5/3 |
S5/4 |
S5/5 |
S5/6 |
S5/7 |
S5/8 |
|
V.35 |
N/A |
On |
On |
On |
On |
On |
On |
On |
On |
|
V.36 |
On |
Off |
Off |
Off |
Off |
Off |
Off |
Off |
Off |
|
X.21 |
Off |
Off |
Off |
Off |
Off |
Off |
Off |
Off |
Off |
|
SERIAL PORT TYPE (CON’T) | ||||||||
|
Setting |
S6/1 |
S6/2 |
S6/3 |
S6/4 |
S6/5 |
S6/6 |
S6/7 |
S6/8 |
|
V.35 |
On |
On |
On |
On |
On |
On |
On |
On |
|
V.36 |
Off |
Off |
Off |
Off |
Off |
Off |
Off |
Off |
|
X.21 |
Off |
Off |
Off |
Off |
Off |
Off |
Off |
Off |
|
DIAGNOSTIC LED(S) | |||
|
LED |
Color |
Status |
Condition |
|
LED1 |
Green |
On |
Power is on |
|
LED1 |
Green |
Off |
Power is off |
|
LED2 |
Green |
On |
DSU is receiving valid signal |
|
LED2 |
Green |
Off |
DSU is not receiving valid signal |
|
LED3 |
Green |
On |
DSU is operating as master clock source |
|
LED3 |
Green |
Off |
DSU is operating as slave clock source |
|
LED4 |
Red |
On |
DSU is in loopback test mode |
|
LED4 |
Red |
Off |
DSU is not in loopback test mode |