POWERCOM AMERICA, INC.
PM3314I (SWITCH VERSION)
|
Card Type |
Modem (asynchronous/synchronous) |
|
Chipset |
Rockwell |
|
Maximum Data Rate |
33.6Kbps |
|
Maximum Fax Rate |
14.4Kbps |
|
Data Modulation |
Bell 103A/212A ITU-T V.21, V.22, V.22bis, V.23, V.32, V.32bis, V.34 Rockwell V.FC |
|
Fax Modulation |
ITU-T V.17, V.21CH2, V.27ter, V.29 |
|
Error Correction/Compression |
MNP5, V.42, V.42bis |
|
Fax Class |
Class I & II |
|
Data Bus |
8-bit ISA |
|
Card Size |
Full height, one-third length |

|
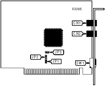
CONNECTIONS | |||
|
Function |
Label |
Function |
Label |
|
Telephone line |
CN1 |
Telephone line |
CN2 |
|
BASE I/O ADDRESS SELECTION | ||
|
Setting |
SW1/3 |
SW1/4 |
|
3F8h (COM1:) |
Closed |
Closed |
|
2F8h (COM2:) |
Closed |
Open |
|
3E8h (COM3:) |
Open |
Closed |
|
2E8h (COM4:) |
Open |
Open |
|
INTERRUPT SELECTION | |||||
|
Setting |
JP1 |
JP2 |
JP3 |
SW1/1 |
SW1/2 |
|
2 |
Open |
Open |
Closed |
Open |
Open |
|
3 |
Open |
Open |
Open |
Closed |
Open |
|
4 |
Open |
Open |
Open |
Open |
Closed |
|
5 |
Open |
Closed |
Open |
Open |
Open |
|
7 |
Closed |
Open |
Open |
Open |
Open |
|
SUPPORTED STANDARD COMMANDS |
|
Basic AT Commands |
|
+++, ‘comma’, A/ |
|
A, B, E, H, L, M, N, O, P, Q, T, V, W, X, Y, Z |
|
&C, &D, &F, &J, &K, &L, &M, &P, &Q, &T, &V, &W, &Y, &Z |
|
Extended AT Commands |
|
\A, \B, \G, \J, \L, \N, \O, \T, \U, \Z |
|
%C, %E, %Q |
|
Special AT Commands |
|
+MS |
|
S-Registers |
|
S0, S1, S2, S3, S4, S5, S6, S7, S8, S9, S10, S11, S12, S14, S16, S18, S25, S26 |
|
S30, S36, S38, S39, S46, S48, S82, S86, S91, S95 |
Note: See MHI help file for complete information. |
|
UNIDENTIFIED COMMANDS | |
|
Command |
Default |
|
S21 |
Unidentified |
|
S22 |
Unidentified |
|
S23 |
Unidentified |
|
S27 |
Unidentified |
|
S37 |
0 |
|
S40 |
57 |
|
S41 |
1 |
|
S49 |
8 |
|
S50 |
255 |
Proprietary AT Command Set
|
AUTOSYNC OPTIONS | ||
|
Type: |
Register | |
|
Format |
AT [cmds] S19=n [cmds] | |
|
Default: |
26 | |
|
Range: |
0 - 30 | |
|
Description: |
Controls autosync protocol, HDLC address detection, bit coding, and HDLC idle. | |
|
Bit |
Value |
Function |
|
0 |
0 |
Not used |
|
1 |
0 í 1 |
Binary synchronous protocol used. HDLC protocol used. |
|
2 |
í 01 |
HDLC address detect disabled. HDLC address detect enabled. |
|
3 |
0 í 1 |
NRZI bit coding used. NRZ bit coding used. |
|
4 |
0 í 1 |
HDLC idle sends MARK. HDLC idle sends FLAG or SYNC. |
|
AUTOSYNC HDLC ADDRESS | |
|
Type: |
Register |
|
Format: |
AT [cmds] S20=n [cmds] |
|
Default: |
0 |
|
Range: |
0-255 |
|
Unit: |
Unidentified |
|
Description: |
Sets the HDLC address and binary synchronous character. |
|
BREAK TYPE | |
|
Type: |
Configuration |
|
Format: |
AT [cmds] \Kn [cmds] |
|
Description: |
Configures action of break signal. |
|
Command |
Function |
|
\K0 |
Online command mode enabled, break not sent to remote modem. |
|
\K1 |
Break sent to remote modem and buffers cleared. |
|
\K3 |
Break sent to remote modem immediately. |
|
\K5 |
Break sent with transmitted data. |
|
DIAL | |
|
Type: |
Immediate |
|
Format: |
AT [cmds] D<#>;[cmds] |
|
Description: |
Dials the telephone number indicated according to any modifiers included in the string. |
|
Note: |
Any combination of modifiers can be used to produce the desired dial functions in sequence. |
|
Command |
Function |
|
DL |
Re-dial last number. |
|
DP |
Pulse dialing enabled. |
|
DR |
Answer mode enabled; originate mode disabled following handshake initiation. |
|
DS=n |
Dial stored telephone number n. |
|
DT |
Tone dialing enabled. |
|
DW |
Dialing resumed following dial tone detection. |
|
D, |
Dialing paused for amount of time specified in S8 register. |
|
D! |
Flash function initiated. Modem commanded to go off-hook for specified time before returning on-hook. |
|
D@ |
Wait for Quiet Answer function enabled. Modem waits until a "quiet answer," a ring-back signal followed by silence up to the time specified in S7, is received prior to executing the rest of the dial string. |
|
D^ |
Enable calling tone for this call. |
|
D; |
Modem returned to idle state after dialing. The semicolon can only be placed at the end of the dial command. |
|
DISPLAY INFORMATION | |
|
Type: |
Immediate |
|
Format: |
AT [cmds] In [cmds] |
|
Description: |
Displays information requested about the modem. |
|
Command |
Function |
|
I0 |
Displays product identification code. |
|
I1 |
Displays ROM checksum. |
|
I2 |
Tests and displays ROM checksum result. |
|
I3 |
Displays firmware revision. |
|
I4 |
Displays product capabilities. |
|
V.42bis COMPRESSION CONTROL | |
|
Type: |
Configuration |
|
Format: |
AT [cmds] %Mn [cmds] |
|
Description: |
Controls V.42bis data compression. |
|
Command |
Function |
|
%M0 |
V.42bis disabled. |
|
%M1 |
V.42bis enabled on transmit only. |
|
%M2 |
V.42bis enabled on receive only. |
|
%M3 |
V.42bis enabled. |
|
V.42bis DICTIONARY CLEAR | |
|
Type: |
Immediate |
|
Format: |
AT [cmds] %P [cmds] |
|
Description: |
Resets the V.42bis dictionary to its initial state upon connection. |
|
V.42bis DICTIONARY SIZE | |
|
Type: |
Configuration |
|
Format: |
AT [cmds] %Dn [cmds] |
|
Description: |
Selects the size of the V.42bis dictionary. |
|
Command |
Function |
|
%D0 |
512 byte dictionary selected. |
|
%D1 |
1024 byte dictionary selected. |
|
%D2 |
2048 byte dictionary selected. |
|
%D3 |
4096 byte dictionary selected for unidirectional compression only. |
|
V.42bis MAXIMUM STRING LENGTH | |
|
Type: |
Immediate |
|
Format: |
AT [cmds] %Sn [cmds] |
|
Default: |
32 |
|
Range: |
6-64 |
|
Unit: |
1 byte |
|
Description: |
Selects string size for V.42bis compression |