UNIDENTIFIED

MODEM ANCHOR 2400E (REV.1)

Card Type

Modem (asynchronous)

Chip Set

Unidentified

Maximum Data Rate

2400bps

Maximum Fax Rate

9600bps

Data Bus

External

Fax Class

Unidentified

Data Modulation Protocol

Bell 103J/212A

ITU-T V.21, V.22, V.22bis

Fax Modulation Protocol

ITU-T V.27ter, V.29

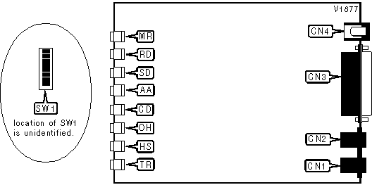
CONNECTIONS

Function

Label

Function

Label

Line out

CN1

RS-232/422

CN3

Line in

CN2

DC power

CN4

USER CONFIGURABLE SETTINGS

Setting

Label

Position

í DTR normal

SW1/1

On

DTR forced high

SW1/1

Off

í Bell protocol set after initialization

SW1/2

Off

ITU-T protocol set after initialization

SW1/2

On

í Factory configured

SW1/3

On

í Factory configured

SW1/4

On

í Factory configured

SW1/5

On

í CD is normal

SW1/6

On

CD forced high

SW1/6

Off

í DSR is normal

SW1/7

On

DSR forced high

SW1/7

Off

í Command set enabled

SW1/8

On

Command set disabled

SW1/8

Off

DIAGNOSTIC LED(S)

LED

Color

Status

Condition

MR

Red

On

Power is on

MR

Red

Off

Power is off

RD

Red

On

Modem is receiving data

RD

Red

Off

Modem is not receiving data

SD

Red

On

Modem is transmitting data

SD

Red

Off

Modem is not transmitting data

AA

Red

On

Auto-answer enabled

AA

Red

Off

Auto-answer disabled

CD

Red

On

Carrier signal detected

CD

Red

Off

Carrier signal not detected

OH

Red

On

Modem is off-hook

OH

Red

Off

Modem is on-hook

HS

Red

On

Modem is operating at 2400bps

HS

Red

Off

Modem is operating at slower than 2400bps

TR

Red

On

DTR signal is high

TR

Red

Off

DTR signal is low

Proprietary AT Command Set

See document V1876 for a full command summary.